QiiMii metal face seal (QCR) fittings can be used as a high purity components in high vacuum or high pres...
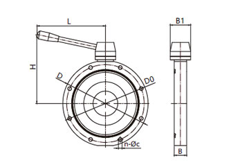
查询VBG01 Series high vacuum butterfly valves are widely used on crystal growth furnaces, which are used for monocrystalline silicon wafer production. These valves can be zero leakage in very low pipe pressure, which is lower to 1.3*10⁻⁵ Pa. Forged stainless steel body and special sealing structure design, to ensure valve’s long life cycles.
| Valve Body Material | SS304/SS316L | |
| Seat Seal Material | FKM, NBR in option | |
| Vacuum Range | 105-6.7x10-5 Pa | |
| Leak Rate | 1.3x10-5 Pa. L/s | |
| Cycles Until Service | 80,000 Times | |
| Angle Opning | 0-90 Degree | |
| Temperature Range | FKM Seat Seal | -30°C to 150°C (about) |
| NBR Seat Seal | -25°C to 80°C (about) | |
| Operated | Manual, Pneumatic Actuator, Electric Actuator | |
| Compressed Air | 0.4-0.8Mpa | |
| Operating Time | Aluminium Actuator | ≤3S |
| Electric Actuator on-off type | Standard 30 S. 10S, 15S option | |
| Solenoid Voltage | Standard:AC220V,50Hz,6W Optional: AC110V, DC24V, DC12V |
|
| Pneumatic Actuator | Standard: Double Acting Optional: 1. Normally Close 2. Normally Open |
|
| Electric Actuator | Standard: On-off type Optional:Regulating control type |
|
| Avaible with Position Indicator | Optional signal feedback | |
![]() |
Model for 304 | Size | D/mm | D0/mm | B/mm | H/mm | B1/mm | L/mm |
| VBG04H2431S63NN | ISO63 | 130 | 110 | 26 | 128.5 | 45 | 135 | |
| VBG04H2431S100NN | ISO100 | 165 | 145 | 30 | 152.5 | 45 | 135 | |
| VBG04H2431S160NN | ISO160 | 225 | 200 | 35 | 180.5 | 45 | 165 | |
| VBG04H2431S200NN | ISO200 | 285 | 260 | 40 | 213 | 45 | 185 |

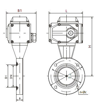
| Model for 304 | Size | D/mm | D0/mm | D1/mm | B/mm | H/mm | B1/mm | L/mm | n-Øc |
| VBG01H2432032NN | DN32 | 78 | 64 | 36 | 22 | 102 | 45 | 115 | 4-Ø7 |
| VBG01H2432040NN | ND40 | 85 | 70 | 44 | 22 | 106 | 45 | 115 | 4-Ø7 |
| VBG01H2432050NN | DN50 | 110 | 90 | 55 | 22 | 118 | 45 | 115 | 4-Ø9 |
| VBG01H2432065NN | DN65 | 125 | 105 | 70 | 26 | 126 | 45 | 135 | 4-Ø9 |
| VBG01H2432080NN | DN80 | 145 | 125 | 85 | 30 | 135 | 45 | 135 | 4-Ø9 |
| VBG01H2432100NN | DN100 | 170 | 145 | 105 | 30 | 150 | 45 | 135 | 8-Ø12 |
| VBG01H2432125NN | DN125 | 195 | 170 | 131 | 35 | 165 | 45 | 165 | 8-Ø12 |
| VBG01H2432150NN | DN150 | 220 | 195 | 156 | 35 | 178 | 45 | 165 | 8-Ø12 |
| VBG01H2432200NN | DN200 | 275 | 250 | 208 | 40 | 208 | 45 | 165 | 8-Ø12 |
| VBG01L1432250NN | DN250 | 330 | 300 | 258 | 45 | 262 | 127 | Ø160 | 8-Ø14 |
| VBG01L1432300NN | DN300 | 380 | 350 | 308 | 55 | 287 | 127 | Ø160 | 8-Ø14 |
| VBG01L1432400NN | DN400 | 500 | 465 | 408 | 60 | 361 | 175 | Ø200 | 8-Ø18 |
| VBG01L1432500NN | DN500 | 600 | 565 | 510 | 80 | 447 | 175 | Ø200 | 12-Ø18 |
![]() |
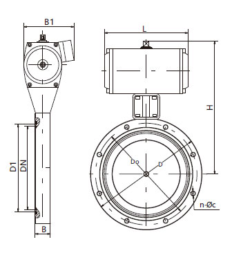
Model for 304 / Double Actuing | Size | D/mm | D0/mm | D1/mm | B/mm | H/mm | B1/mm | L/mm | n-Øc |
| VBG01AD432040NN | ND40 | 85 | 70 | 44 | 22 | 180 | 90 | 152 | 4-Ø7 | |
| VBG01AD432050NN | DN50 | 110 | 90 | 55 | 22 | 195 | 90 | 152 | 4-Ø7 | |
| VBG01AD432065NN | DN65 | 125 | 105 | 70 | 26 | 200 | 90 | 152 | 4-Ø9 | |
| VBG01AD432080NN | DN80 | 145 | 125 | 85 | 30 | 208 | 90 | 152 | 4-Ø9 | |
| VBG01AD432100NN | DN100 | 170 | 145 | 105 | 30 | 225 | 90 | 152 | 8-Ø12 | |
| VBG01AD432125NN | DN125 | 195 | 170 | 131 | 35 | 256 | 115 | 185 | 8-Ø12 | |
| VBG01AD432150NN | DN150 | 220 | 195 | 156 | 35 | 272 | 115 | 185 | 8-Ø12 | |
| VBG01AD432200NN | DN200 | 275 | 250 | 208 | 40 | 325 | 125 | 230 | 8-Ø12 | |
| VBG01AD432250NN | DN250 | 330 | 300 | 258 | 45 | 355 | 125 | 230 | 8-Ø14 | |
| VBG01AD432300NN | DN300 | 380 | 350 | 308 | 55 | 380 | 125 | 230 | 8-Ø14 | |
| VBG01AD432400NN | DN400 | 500 | 465 | 408 | 60 | 490 | 180 | 308 | 8-Ø18 | |
| VBG01AD432500NN | DN500 | 600 | 565 | 510 | 80 | 585 | 210 | 378 | 12-Ø18 | |
| VBG01AD432600NN | DN600 | 710 | 670 | 610 | 100 | 760 | 270 | 524 | 12-Ø21 | |
| VBG01AD432800NN | DN800 | 920 | 880 | 815 | 130 | 962 | 320 | 648 | 20-Ø21 | |
| VBG01AD4321000NN | DN1000 | 1120 | 1090 | 1015 | 140 | 980 | 385 | 1480 | 32-Ø14 | |
| VBG01AD4321200NN | DN1200 | 1440 | 1404 | 1280 | 150 | 1360 | 385 | 1480 | 36-Ø19 |
![]() |
Model for 304 | Size | D/mm | D0/mm | D1/mm | B/mm | H/mm | B1/mm | L/mm | n-Øc |
| VBG01E1432040NN | ND40 | 85 | 70 | 44 | 22 | 205 | 125 | 155 | 4-Ø7 | |
| VBG01E1432050NN | DN50 | 110 | 90 | 55 | 22 | 218 | 125 | 155 | 4-Ø7 | |
| VBG01E1432065NN | DN65 | 125 | 105 | 70 | 26 | 224 | 125 | 155 | 4-Ø9 | |
| VBG01E1432080NN | DN80 | 145 | 125 | 85 | 30 | 235 | 125 | 155 | 4-Ø9 | |
| VBG01E1432100NN | DN100 | 170 | 145 | 105 | 30 | 247 | 125 | 155 | 8-Ø12 | |
| VBG01E1432125NN | DN125 | 195 | 170 | 131 | 35 | 260 | 125 | 155 | 8-Ø12 | |
| VBG01E1432150NN | DN150 | 220 | 195 | 156 | 35 | 272 | 125 | 155 | 8-Ø12 | |
| VBG01E1432200NN | DN200 | 275 | 250 | 208 | 40 | 320 | 157 | 208 | 8-Ø12 | |
| VBG01E1432250NN | DN250 | 330 | 300 | 258 | 45 | 350 | 157 | 208 | 8-Ø14 | |
| VBG01E1432300NN | DN300 | 380 | 350 | 308 | 55 | 375 | 157 | 208 | 8-Ø14 | |
| VBG01E1432400NN | DN400 | 500 | 465 | 408 | 60 | 451 | 182 | 256 | 8-Ø18 | |
| VBG01E1432500NN | DN500 | 600 | 565 | 510 | 80 | 535 | 182 | 256 | 12-Ø18 | |
| VBG01E1432600NN | DN600 | 710 | 670 | 610 | 100 | 760 | 220 | 280 | 12-Ø21 | |
| VBG01E1432800NN | DN800 | 920 | 880 | 815 | 130 | 960 | 220 | 280 | 20-Ø21 | |
| VBG01E1432900NN | DN900 | 1040 | 990 | 915 | 130 | 970 | 250 | 350 | 24-Ø23 | |
| VBG01E14321000NN | DN1000 | 1120 | 1090 | 1015 | 140 | 980 | 250 | 350 | 32-Ø14 |
Used as ventilation, shut-off or high-vacuum valves, butterfly valves have a simple structure, and can be...
查询Used as ventilation, shut-off or high-vacuum valves, butterfly valves have a simple structure, and can be...
查询Vacuum Ball Valves have the advantage of being turned completely off to on in one 90 degree rotation of t...
查询On July 20th, our 8th anniversary group building event. Gratitude for eight years, building the future together, and creating brilliance again.
On May 20th, a relaxed and enjoyable team building activityTeamwork and work together with one heart.

获取报价