Model No.: FCD84
查询ISO-KF fttings can be used in a wide variety of aplications including:
●Roughing and foreline plumbing
●Small systems
●Systems requiring frequent cleaning or modification
●Research and teaching laboratories
ISO-KF components are primarily designed for use at subatmospheric pressure.
Because of the large number of elastomer seals used.
The ISO-KF components are assembled by inserting a centering ring between the two flange faces, then securing the assembly with a flange encompassing clamp (see Figure 2).
The ISO-KF system is a modular, building block method of creating a piping system. There are several advantages in the use of IS0 components. Since component dimensions are standardized, elbows, tees, crosses or valves for a given size may be interchanged.
The flanges are "sexless" and the seal is symmetrical, so that the components are rotatable. By using Iso components, system assembly is quick and cost effective. See Figure 1 for the ISO dimensions of flange sizes 10, 16, 25, 40 and 50. These dimensions apply to ISO-KF flanges of these nominal diameters throughout this catalog.
Elastomer seal: >= 1 x 10-8 Torr
Viton: -50°C to 200°C


* Material:Aluminum
![]() |
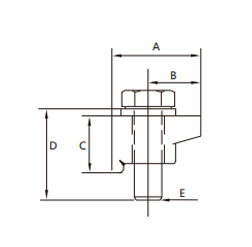
Model for Alu | Size | A/mm | B/mm | C/mm | D/mm | E | N.W./g | ||||||
| FCE81M68 | KF10-50 | 20 | 11.5 | 14 | 25 | M6 | 14 | |||||||
On July 20th, our 8th anniversary group building event. Gratitude for eight years, building the future together, and creating brilliance again.
On May 20th, a relaxed and enjoyable team building activityTeamwork and work together with one heart.

获取报价