Model No.: FLG11N
查询Material: Alu/SS304/Viton
KF flanges are a sexless design made from 304 stainless, they can be used in a wide range of applications including:
* Roughing and foreline plumbing
* Small pipe systems
* Systems need frequent cleaning or modification
* Research and teaching laboratories
Elastomer Seal:>=1 x10⁻⁸ Torr
Elastomer Seal:>=1 x10⁻⁸ Torr
Viton: -50℃ to 200℃
NBR: -20℃ to 80℃

The lSO-KF components are assembled by inserting a centering ring between the two flange faces,then securing the assembly with a flange encompassing clamp (see Figure 2)



![]() |
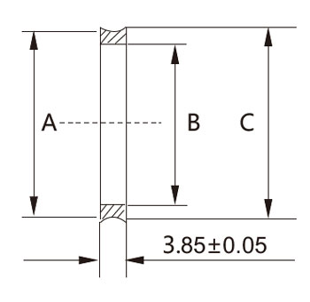
Model for 304 | Size | A/mm | B/mm | C/mm | N.W./g |
| FLG82N1K164 | KF16 | 18.45 | 16.1 | 19.5 | ||
| FLG82N1K254 | KF25 | 28.45 | 24.85 | 29.5 | ||
| FLG82N1K404 | KF40 | 42.95 | 39.85 | 44 |
On July 20th, our 8th anniversary group building event. Gratitude for eight years, building the future together, and creating brilliance again.
On May 20th, a relaxed and enjoyable team building activityTeamwork and work together with one heart.

获取报价