Hose X Hose Mini Ball Valve
Hose X Hose Mini Ball Valve
Hose X Hose Mini Ball Valve
Hose X Hose Mini Ball Valve
Hose X Hose Mini Ball Valve
Hose X Hose Mini Ball Valve

卫生软管 X 型软管迷你球阀 SS304/SS316L 不锈钢/蓝色塑料手柄双向球阀

型号:VFI01

商品编号:VFI01

端部连接:
软管
  • 软管
操作方式:
蓝色手柄
  • 蓝色手柄
  • 不锈钢手柄
材质:
SS304
  • SS304
  • SS316L
垫片材料:
四氟
  • 四氟
尺寸.:
7mm×7mm
  • 7mm×7mm
  • 8mm×8mm
  • 10mm×10mm
  • 12mm×12mm
  • 7mm×7mm
  • 8mm×8mm
  • 10mm×10mm
  • 12mm×12mm

应用

VFI系列迷你球阀采用不锈钢材质,配有手动开关控制杆。适用于空气、水或惰性气体应用。

特征

*螺纹端部符合 ISO 7-1 (EN 10226-1)、ASME B1.20.1、BS21.0、DIN2999/259、ISO228-1、JIS B0203 标准

*缩径

*外部镜面或缎面抛光。

*喷漆铝制把手。

技术规格

材质:CF8 或 CF8M

座垫:PTFE 或按需定制

工作压力:最大 16 巴 (PN16)

温度范围:-20°C 至 110°C

最大压力:10巴(DN15-DN65/ 1/2"-21/2")

8巴(DN80-DN100/ 3"-4")

工作温度:-20℃ 至 +150℃(聚四氟乙烯)

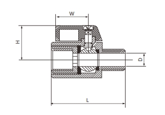
内螺纹 x 内螺纹迷你球阀(NPT)

型号尺寸D H W L
VFI44H1SX52013NN 1/8英寸7 26.5 22.8 42
VFI44H1SX52025NN 1/4英寸7 26.5 22.8 42
VFI44H1SX52038NN 3/8英寸7 26.5 22.8 42
VFI44H1SX52050NN 1/2英寸9.2 28.3 22.8 46
VFI44H1SX52075NN 3/4英寸12.5 31.5 22.8 54
VFI44H1SX52100NN 1英寸15 34 22.8 65

公母迷你球阀(NPT)

型号尺寸D H W L
VFI34H1X52013NN 1/8英寸7 26.5 22.8 40
VFI34H1X52025NN 1/4英寸7 26.5 22.8 40
VFI34H1X52038NN 3/8英寸7 26.5 22.8 40
VFI34H1X52050NN 1/2英寸9.2 28.3 22.8 46
VFI34H1X52075NN 3/4英寸12.5 31.5 22.8 54
VFI34H1X52100NN 1英寸15 34 22.8 65

公对公迷你球阀(NPT)

型号尺寸D H W L
VFI33H1X52013NN 1/8英寸5(7) 26.5 21 50
VFI33H1X52025NN 1/4英寸7 26.5 21 50
VFI33H1X52038NN 3/8英寸7 26.5 21 50
VFI33H1X52050NN 1/2英寸9.2 29 24.5 58
VFI33H1X52075NN 3/4英寸12.5 32 31 71
VFI33H1X52100NN 1英寸15 35 36 83

相关产品
Three-Piece Butt-Weld Ball Valve

VFP系列三片式卫生级球阀结合了管式全通径结构和各种卫生级端接方式,可在高纯度应用中提供卓越的性能。...

查询
Three-Piece Butt-Weld Ball Valve

VFP系列三片式卫生级球阀结合了管式全通径结构和各种卫生级端接方式,可在高纯度应用中提供卓越的性能。...

查询
Mini Ball Valve Female/Male X Hose

不锈钢迷你球阀,NPT内螺纹x外螺纹,卫生级双向球阀,不锈钢双向球阀,双向球阀,卫生级球阀 - 中国QM不锈钢...

查询
Stainless Steel Handle Sanitary Mini Ball Valve

不锈钢迷你球阀,NPT内螺纹x外螺纹,卫生级双向球阀,不锈钢双向球阀,双向球阀,卫生级球阀 - 中国QM不锈钢...

查询
相关新闻
13

为什么选择不锈钢卫生球阀?

卫生球阀不同于普通工业阀门。它们专为高卫生环境而设计,其核心优势体现在材料选择和结构设计上。我们的卫生球阀均采用SS304和SS316L食品级不锈钢制成,这两种材料各有优势,可满足不同的应用需求。...

02

搬迁顺利,前途光明:4000平方米设施升级改造竣工

温州启明不锈钢有限公司,一家成立于2015年的精密不锈钢阀门及管件制造商和出口商,欣然宣布公司已于2026年之际成功迁至位于温州的全新4000平方米厂房。此次里程碑式的搬迁于2025年12月底完成,标志着公司发展的新篇章,也充分证明了此次搬迁的成功。此次大规模搬迁的顺利进行,充分体现了全体团队成员的不懈努力、相互支持和坚韧不拔的团队精神,也正是启明蓬勃发展的新起点。...

优质服务首选启明
联系我们
展会

获取报价

现在联系
Captcha Code
×
询盘篮()
取得联系
Captcha Code
×