活接头用于永久性安装,工艺管道和设备可以就地清洗 (CIP),无需从系统中拆卸。...
查询Uinon管件适用于可进行原位清洗(CIP)且无需从系统中拆卸的永久性安装工艺管道和设备。焊接管件的公称管径范围为1/2英寸至8英寸,材质为T304和T316L。1/2英寸至3英寸尺寸的管壁厚度均为0.065英寸(16号钢)。4英寸尺寸的管壁厚度为0.083英寸(14号钢),6英寸和8英寸尺寸的管壁厚度为0.109英寸(12号钢)。
以下是304不锈钢卫生级卡箍式接头套件的专业英文描述:304不锈钢卫生级接头套件描述 产品名称* 304不锈钢卫生级快速连接接头套件(卡箍/螺纹式) 主要规格 材质: 主体:304不锈钢(06Cr19Ni10),耐腐蚀,符合GB/T 1220标准。 密封件:食品级EPDM/FKM/硅胶(可选),通过FDA/EC1935认证。 表面处理:机械抛光(Ra ≤ 0.8μm),内表面镜面抛光,无死角设计。 可选电解抛光或钝化处理(增强耐腐蚀性)。 符合标准:DIN/SMS/ISO/3A(以实际认证为准)。 组件包括: 1. 接头主体:精密铸造304不锈钢,快速释放设计,可360°旋转对准。 2. 连接类型:卡箍式:不锈钢三卡箍,带防滑锁定机构。螺纹类型:可选BSP/NPT/卡箍螺纹。3. 密封垫:耐高温(-20°C至120°C),抗老化,符合食品安全标准。特点:卫生设计:符合GMP/HACCP标准,适用于无菌管道系统。无死角,支持CIP/SIP清洗和灭菌。耐用性:304不锈钢耐弱酸、弱碱和有机溶剂。工作压力:1.0MPa–1.6MPa(因尺寸而异)。易于安装:三卡箍设计,无需工具即可拆卸和维护。兼容DN15–DN100(1/2"–4")管道;可定制尺寸。应用领域:食品饮料:乳制品、啤酒、果汁、调味品管道。制药:纯净水、注射用水(WFI)系统。化妆品:高纯度液体输送。包装及认证 - 独立包装于防尘袋中,配有密封件/夹子。- 提供材料测试证书 (MTC) 和卫生合规文件。
主体:AISI-304 和 AISI-316L
标准:SMS、ISO/IDF、DS、RJT、DIN、DIN11864 等
端部连接方式:焊接
可选尺寸:1"-4" 或 DN10-DN150
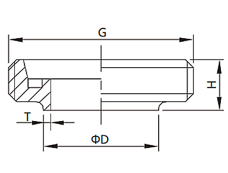
![]() | 尺寸 | 模型 | 模型 | D1/mm | 唔 | T/mm | 净重/克 | ||
| 直径/毫米 | 带旋钮 | 直径/毫米 | 带旋钮 | ||||||
| DN10 | 12 | FUM0120104S1 | 13 | FUM0120104S2 | Ra28x1/8 | 17 | 1.5 | 40 | |
| DN15 | 18 | FUM0120154S1 | 19 | FUM0120154S2 | Ra34x1/8 | 17 | 1.5 | 50 | |
| DN20 | 22 | FUM0120204S1 | 23 | FUM0120204S2 | Ra44x1/6 | 19 | 1.5 | 70 | |
| DN25 | 28 | FUM0120254S1 | 29 | FUM0120254S2 | Ra52x1/6 | 22 | 1.5 | 100 | |
| DN32 | 34 | FUM0120324S1 | 35 | FUM0120324S2 | Ra58x1/6 | 23 | 1.5 | 120 | |
| DN40 | 40 | FUM0120404S1 | 41 | FUM0120404S2 | Ra65x1/6 | 21 | 1.5 | 140 | |
| DN50 | 52 | FUM0120504S1 | 53 | FUM0120504S2 | Ra78x1/6 | 22 | 1.5 | 170 | |
| DN65 | 70 | FUM0120654S1 | - | - | Ra95x1/6 | 25 | 2 | 260 | |
| DN80 | 85 | FUM0120804S1 | - | - | Ra110x1/4 | 25 | 2 | 390 | |
| DN100 | 104 | FUM0121004S1 | - | - | Ra130x1/4 | 30 | 2 | 530 | |
| DN125 | 129 | FUM0121254S1 | - | - | Ra160x1/4 | 33 | 2 | 740 | |
| DN150 | 154 | FUM0121504S1 | - | - | Ra190x1/4 | 35 | 2 | 1360 | |
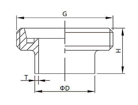
![]() | 尺寸 | 模型 | 模型 | D1/mm | 唔 | T/mm | 净重/克 | ||
| 直径/毫米 | 带旋钮 | 直径/毫米 | 带旋钮 | ||||||
| DN10 | 12 | FUM0220104S1 | 13 | FUM0220104S2 | Ra28x1/8 | 21 | 1.5 | 40 | |
| DN15 | 18 | FUM0220154S1 | 19 | FUM0220154S2 | Ra34x1/8 | 21 | 1.5 | 50 | |
| DN20 | 22 | FUM0220204S1 | 23 | FUM0220204S2 | Ra44x1/6 | 24 | 1.5 | 90 | |
| DN25 | 28 | FUM0220254S1 | 29 | FUM0220254S2 | Ra52x1/6 | 29 | 1.5 | 110 | |
| DN32 | 34 | FUM0220324S1 | 35 | FUM0220324S2 | Ra58x1/6 | 32 | 1.5 | 130 | |
| DN40 | 40 | FUM0220404S1 | 41 | FUM0220404S2 | Ra65x1/6 | 33 | 1.5 | 160 | |
| DN50 | 52 | FUM0220504S1 | 53 | FUM0220504S2 | Ra78x1/6 | 35 | 1.5 | 220 | |
| DN65 | 70 | FUM0220654S1 | - | - | Ra95x1/6 | 40 | 2 | 350 | |
| DN80 | 85 | FUM0220804S1 | - | - | Ra110x1/4 | 45 | 2 | 520 | |
| DN100 | 104 | FUM0221004S1 | - | - | Ra130x1/4 | 54 | 2 | 670 | |
| DN125 | 129 | FUM0221254S1 | - | - | Ra160x1/4 | 46 | 2 | 990 | |
| DN150 | 154 | FUM0221504S1 | - | - | Ra190x1/4 | 50 | 2 | 1710 | |
| DN200 | 212 | FUM0222004S1 | - | - | Ra240x1/4 | 50 | 2 | 2500 | |
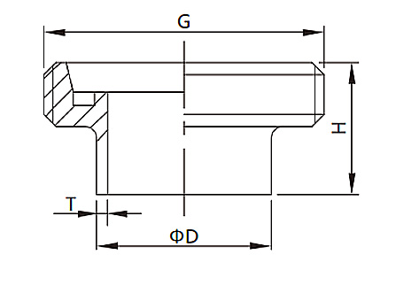
![]() | 模型 | 尺寸 | 直径/毫米 | G | 唔 | T/mm | 净重/克 |
| FUM032010 | DN10 | 15 | Ra28x1/8 | 21 | 2.5 | 40 | |
| FUM032015 | DN15 | 21 | Ra34x1/8 | 21 | 2.5 | 50 | |
| FUM032020 | DN20 | 25 | Ra44x1/6 | 24 | 2.5 | 90 | |
| FUM032025 | DN25 | 31 | Ra52x1/6 | 29 | 2.5 | 110 | |
| FUM032032 | DN32 | 37 | Ra58x1/6 | 32 | 2.5 | 130 | |
| FUM032040 | DN40 | 43 | Ra65x1/6 | 33 | 2.5 | 160 | |
| FUM032050 | DN50 | 55 | Ra78x1/6 | 35 | 2.5 | 220 | |
| FUM032065 | DN65 | 72 | Ra95x1/6 | 40 | 3 | 350 | |
| FUM032080 | DN80 | 87 | Ra110x1/4 | 45 | 3 | 520 | |
| FUM032100 | DN100 | 106 | Ra130x1/4 | 54 | 3 | 670 | |
| FUM032125 | DN125 | 132 | Ra160x1/4 | 46 | 3.5 | 990 | |
| FUM032150 | DN150 | 157 | Ra190x1/4 | 50 | 3.5 | 1710 |
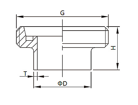
![]() | 模型 | 尺寸 | 直径/毫米 | G | 唔 | T/mm | 净重/克 |
| FUM042100 | 1英寸 | 25.4 | Ra52x1/6 | 29 | 1.5 | 150 | |
| FUM042125 | 1¼英寸 | 31.8 | Ra58x1/6 | 32 | 1.5 | ||
| FUM042150 | 1½英寸 | 38.1 | Ra65x1/6 | 33 | 1.5 | 250 | |
| FUM042200 | 2英寸 | 50.8 | Ra78x1/6 | 35 | 1.5 | 340 | |
| FUM042250 | 2½英寸 | 63.5 | Ra95x1/6 | 40 | 2 | 560 | |
| FUM042300 | 3英寸 | 76.2 | Ra110x1/4 | 45 | 2 | 720 | |
| FUM042400 | 4英寸 | 101.6 | Ra130x1/4 | 54 | 2 | 1160 |
卫生球阀不同于普通工业阀门。它们专为高卫生环境而设计,其核心优势体现在材料选择和结构设计上。我们的卫生球阀均采用SS304和SS316L食品级不锈钢制成,这两种材料各有优势,可满足不同的应用需求。...
温州启明不锈钢有限公司,一家成立于2015年的精密不锈钢阀门及管件制造商和出口商,欣然宣布公司已于2026年之际成功迁至位于温州的全新4000平方米厂房。此次里程碑式的搬迁于2025年12月底完成,标志着公司发展的新篇章,也充分证明了此次搬迁的成功。此次大规模搬迁的顺利进行,充分体现了全体团队成员的不懈努力、相互支持和坚韧不拔的团队精神,也正是启明蓬勃发展的新起点。...
获取报价