SMS Male
SMS Male
SMS Male
SMS Male

SMS短款公接头 SS304 SS316L 卫生级长款公接头 不锈钢 SMS活接头

型号:FUM

商品编号:FUM

型号:
短款
  • 短款
  • 长款
尺寸.:
SMS 1"
  • SMS 1"
  • SMS 11/4"
  • SMS 11/2"
  • SMS 2"
  • SMS 21/2"
  • SMS 3"
  • SMS 31/2"
  • SMS 4"
材质:
SS304
  • SS304
  • SS316L

应用

Uinon管件适用于可进行原位清洗(CIP)且无需从系统中拆卸的永久性安装工艺管道和设备。焊接管件的公称管径范围为1/2英寸至8英寸,材质为T304和T316L。1/2英寸至3英寸尺寸的管壁厚度均为0.065英寸(16号钢)。4英寸尺寸的管壁厚度为0.083英寸(14号钢),6英寸和8英寸尺寸的管壁厚度为0.109英寸(12号钢)。

以下是304不锈钢卫生级卡箍式接头套件的专业英文描述:304不锈钢卫生级接头套件描述 产品名称* 304不锈钢卫生级快速连接接头套件(卡箍/螺纹式) 主要规格 材质: 主体:304不锈钢(06Cr19Ni10),耐腐蚀,符合GB/T 1220标准。 密封件:食品级EPDM/FKM/硅胶(可选),通过FDA/EC1935认证。 表面处理:机械抛光(Ra ≤ 0.8μm),内表面镜面抛光,无死角设计。 可选电解抛光或钝化处理(增强耐腐蚀性)。 符合标准:DIN/SMS/ISO/3A(以实际认证为准)。 组件包括: 1. 接头主体:精密铸造304不锈钢,快速释放设计,可360°旋转对准。 2. 连接类型:卡箍式:不锈钢三卡箍,带防滑锁定机构。螺纹类型:可选BSP/NPT/卡箍螺纹。3. 密封垫:耐高温(-20°C至120°C),抗老化,符合食品安全标准。特点:卫生设计:符合GMP/HACCP标准,适用于无菌管道系统。无死角,支持CIP/SIP清洗和灭菌。耐用性:304不锈钢耐弱酸、弱碱和有机溶剂。工作压力:1.0MPa–1.6MPa(因尺寸而异)。易于安装:三卡箍设计,无需工具即可拆卸和维护。兼容DN15–DN100(1/2"–4")管道;可定制尺寸。应用领域:食品饮料:乳制品、啤酒、果汁、调味品管道。制药:纯净水、注射用水(WFI)系统。化妆品:高纯度液体输送。包装及认证 - 独立包装于防尘袋中,配有密封件/夹子。- 提供材料测试证书 (MTC) 和卫生合规文件。

材料

  • 主体:AISI-304 和 AISI-316L

标准设计

  • 标准:SMS、ISO/IDF、DS、RJT、DIN、DIN11864 等

  • 端部连接方式:焊接

  • 可选尺寸:1"-4" 或 DN10-DN150

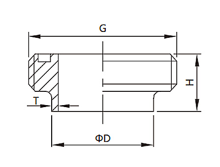
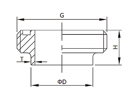
图纸标签上的详细规格

短信短篇男性

模型尺寸直径/毫米GT/mm净重/克
FUM013100 φ25 25.4 Rd40x1/6 14 1.5
FUM013125 φ32 31.8 Rd48x1/6 14 1.5
FUM013150 φ38 38.1 Rd60x1/6 14 1.5
FUM013200 φ51 50.8 Rd70x1/6 15 1.5
FUM013250 φ63 63.5 Rd85x1/6 15 2
FUM013300 φ76 76.2 Rd98x1/6 16 2
FUM013350 φ89 89 Rd110x1/6 16 2
FUM0134004S1 φ102-S 101.6 Rd125x1/4 17 2
FUM0134004S2 φ102-L 101.6 Rd132x1/6 19 2

短信长篇男性

模型尺寸直径/毫米GT/mm净重/克
FUM023100 φ25 25.4 Rd40x1/6 19 1.5 50
FUM023125 φ32 31.8 Rd48x1/6 23 1.5
FUM023150 φ38 38.1 Rd60x1/6 23 1.5 170
FUM023200 φ51 50.8 Rd70x1/6 23 1.5 190
FUM023250 φ63 63.5 Rd85x1/6 27 2 360
FUM023300 φ76 76.2 Rd98x1/6 27 2 420
FUM023350 φ89 89 Rd110x1/6 30 2
FUM0234004S1 φ102-S 101.6 Rd125x1/4 30 2
FUM0234004S2 φ102-L 101.6 Rd132x1/6 35 2 1300


 

相关产品
SMS Gasket For Blind Nut

活接头用于永久性安装,工艺管道和设备可以就地清洗 (CIP),无需从系统中拆卸。...

查询
 SMS Blind Liner

活接头用于永久性安装,工艺管道和设备可以就地清洗 (CIP),无需从系统中拆卸。...

查询
SMS Blind Nut (6 Slots)

活接头用于永久性安装,工艺管道和设备可以就地清洗 (CIP),无需从系统中拆卸。...

查询
SMS Nut(6 Slots)

活接头用于永久性安装,工艺管道和设备可以就地清洗 (CIP),无需从系统中拆卸。...

查询
相关新闻
13

为什么选择不锈钢卫生球阀?

卫生球阀不同于普通工业阀门。它们专为高卫生环境而设计,其核心优势体现在材料选择和结构设计上。我们的卫生球阀均采用SS304和SS316L食品级不锈钢制成,这两种材料各有优势,可满足不同的应用需求。...

02

搬迁顺利,前途光明:4000平方米设施升级改造竣工

温州启明不锈钢有限公司,一家成立于2015年的精密不锈钢阀门及管件制造商和出口商,欣然宣布公司已于2026年之际成功迁至位于温州的全新4000平方米厂房。此次里程碑式的搬迁于2025年12月底完成,标志着公司发展的新篇章,也充分证明了此次搬迁的成功。此次大规模搬迁的顺利进行,充分体现了全体团队成员的不懈努力、相互支持和坚韧不拔的团队精神,也正是启明蓬勃发展的新起点。...

优质服务首选启明
联系我们
展会

获取报价

现在联系
Captcha Code
×
询盘篮()
取得联系
Captcha Code
×