卫生级卡箍式垫片是当今最常用的垫片之一,也是卫生级工艺行业的首选垫片。这类垫片有多种材质可供选择。其连接方式为:不锈钢卡箍中间夹有垫片,卡箍套在卡箍两侧,将两者压紧。这种连接方式快速、简便,且符合卫生标准。...
查询Uinon管件适用于可进行原位清洗(CIP)且无需从系统中拆卸的永久性安装工艺管道和设备。焊接管件的公称管径范围为1/2英寸至8英寸,材质为T304和T316L。1/2英寸至3英寸尺寸的管壁厚度均为0.065英寸(16号钢)。4英寸尺寸的管壁厚度为0.083英寸(14号钢),6英寸和8英寸尺寸的管壁厚度为0.109英寸(12号钢)。
以下是304不锈钢卫生级卡箍式接头套件的专业英文描述:304不锈钢卫生级接头套件描述 产品名称* 304不锈钢卫生级快速连接接头套件(卡箍/螺纹式) 主要规格 材质: 主体:304不锈钢(06Cr19Ni10),耐腐蚀,符合GB/T 1220标准。 密封件:食品级EPDM/FKM/硅胶(可选),通过FDA/EC1935认证。 表面处理:机械抛光(Ra ≤ 0.8μm),内表面镜面抛光,无死角设计。 可选电解抛光或钝化处理(增强耐腐蚀性)。 符合标准:DIN/SMS/ISO/3A(以实际认证为准)。 组件包括: 1. 接头主体:精密铸造304不锈钢,快速释放设计,可360°旋转对准。 2. 连接类型:卡箍式:不锈钢三卡箍,带防滑锁定机构。螺纹类型:可选BSP/NPT/卡箍螺纹。3. 密封垫:耐高温(-20°C至120°C),抗老化,符合食品安全标准。特点:卫生设计:符合GMP/HACCP标准,适用于无菌管道系统。无死角,支持CIP/SIP清洗和灭菌。耐用性:304不锈钢耐弱酸、弱碱和有机溶剂。工作压力:1.0MPa–1.6MPa(因尺寸而异)。易于安装:三卡箍设计,无需工具即可拆卸和维护。兼容DN15–DN100(1/2"–4")管道;可定制尺寸。应用领域:食品饮料:乳制品、啤酒、果汁、调味品管道。制药:纯净水、注射用水(WFI)系统。化妆品:高纯度液体输送。包装及认证 - 独立包装于防尘袋中,配有密封件/夹子。- 提供材料测试证书 (MTC) 和卫生合规文件。
主体:AISI-304 和 AISI-316L
标准:SMS、ISO/IDF、DS、RJT、DIN、DIN11864 等
端部连接方式:焊接
可选尺寸:1"-4" 或 DN10-DN150
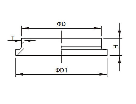
![]() | 模型 | 尺寸 | 直径/毫米 | D1/mm | 唔 | T/mm | 净重/克 |
| FUL013100 | φ25 | 25.4 | 35.5 | 14 | 1.5 | ||
| FU013125 | φ32 | 31.8 | 43.5 | 14 | 1.5 | ||
| FUL013150 | φ38 | 38.1 | 55.5 | 14 | 1.5 | ||
| FUL013200 | φ51 | 50.8 | 65.5 | 15 | 1.5 | ||
| FUL013250 | φ63 | 63.5 | 80 | 15 | 2 | ||
| FUL013300 | φ76 | 76.2 | 93 | 16 | 2 | ||
| FUL013350 | φ89 | 89 | 101 | 16 | 2 | ||
| FUL0134004S1 | φ102-S | 101.6 | 118 | 17 | 2 | ||
| FUL0134004S2 | φ102-L | 101.6 | 127.5 | 19 | 2 |
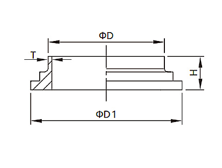
![]() | 模型 | 尺寸 | 直径/毫米 | D1/mm | 唔 | T/mm | 净重/克 |
| FUL023100 | φ25 | 25.4 | 35.5 | 14 | 1.5 | ||
| FU023125 | φ32 | 31.8 | 43.5 | 14 | 1.5 | ||
| FU023150 | φ38 | 38.1 | 55.5 | 14 | 1.5 | ||
| FUL023200 | φ51 | 50.8 | 65.5 | 15 | 1.5 | ||
| FUL023250 | φ63 | 63.5 | 80 | 15 | 2 | ||
| FUL023300 | φ76 | 76.2 | 93 | 16 | 2 | ||
| FUL023350 | φ89 | 89 | 101 | 16 | 2 | ||
| FUL0234004S1 | φ102-S | 101.6 | 118 | 17 | 2 | ||
| FUL0234004S2 | φ102-L | 101.6 | 127.5 | 19 | 2 |
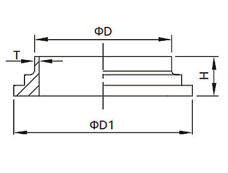
![]() | 模型 | 尺寸 | 直径/毫米 | D1/mm | 唔 | T/mm | 净重/克 |
| FUL033100 | φ25 | 25.4 | 35.5 | 15.5 | 1.5 | ||
| FUL033125 | φ32 | 31.8 | 43.5 | 15.5 | 1.5 | ||
| FUL033150 | φ38 | 38.1 | 55.5 | 16 | 1.5 | ||
| FUL033200 | φ51 | 50.8 | 65.5 | 17 | 1.5 | ||
| FUL033250 | φ63 | 63.5 | 80 | 17 | 2 | ||
| FUL033300 | φ76 | 76.2 | 93 | 19 | 2 | ||
| FUL0334004S1 | φ102-S | 101.6 | 118 | 19 | 2 | ||
| FUL0334004S2 | φ102-L | 101.6 | 127.5 | 19 | 2 |
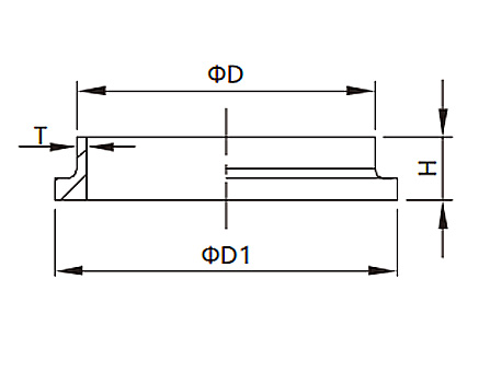
![]() | 模型 | 尺寸 | 直径/毫米 | D1/mm | 唔 | T/mm | 净重/克 |
| FUL043100 | φ25 | 25.4 | 35.5 | 15.5 | 1.5 | ||
| FUL043125 | φ32 | 31.8 | 43.5 | 15.5 | 1.5 | ||
| FUL043150 | φ38 | 38.1 | 55.5 | 16 | 1.5 | ||
| FUL043200 | φ51 | 50.8 | 65.5 | 17 | 1.5 | ||
| FUL043250 | φ63 | 63.5 | 80 | 17 | 2 | ||
| FUL043300 | φ76 | 76.2 | 93 | 19 | 2 | ||
| FUL0434004S1 | φ102-S | 101.6 | 118 | 19 | 2 | ||
| FUL0434004S2 | φ102-L | 101.6 | 127.5 | 19 | 2 |
卫生级卡箍式垫片是当今最常用的垫片之一,也是卫生级工艺行业的首选垫片。这类垫片有多种材质可供选择。其连接方式为:不锈钢卡箍中间夹有垫片,卡箍套在卡箍两侧,将两者压紧。这种连接方式快速、简便,且符合卫生标准。...
查询卫生球阀不同于普通工业阀门。它们专为高卫生环境而设计,其核心优势体现在材料选择和结构设计上。我们的卫生球阀均采用SS304和SS316L食品级不锈钢制成,这两种材料各有优势,可满足不同的应用需求。...
温州启明不锈钢有限公司,一家成立于2015年的精密不锈钢阀门及管件制造商和出口商,欣然宣布公司已于2026年之际成功迁至位于温州的全新4000平方米厂房。此次里程碑式的搬迁于2025年12月底完成,标志着公司发展的新篇章,也充分证明了此次搬迁的成功。此次大规模搬迁的顺利进行,充分体现了全体团队成员的不懈努力、相互支持和坚韧不拔的团队精神,也正是启明蓬勃发展的新起点。...
获取报价