Angle valves are a device that manually or pneumatic rotates the thread to drive the valve shaft up and d...
查询Fermenter is also called CCT (Cylindrical Conical Tank), FV (Fermentation Vessel), primary fermentor or unitank as they are used both for fermenting and lagering.
Fermenting is the process during which the yeast transforms the wort into beer. Lagerings takes place after fermenting and is the time given to the beer
to stabilize and age after fermenting.
The reinforced four-leg design not only increased the stability and strength of the conical, it also allowed the unit to stand taller, thereby eliminating the need for
extensions in almost every situation.
Made entirely of 304 stainless steel, the quality exceeds what has been done before in brewing applications, with near-pharmaceutical-grade finishes, flawless welds
and a dazzling mirror finish for easy sanitization and even better eye protection.

|
Table
|
|||
|
NO.
|
NAME
|
CONNECT SIZE
|
CONNECT TYPE
|
|
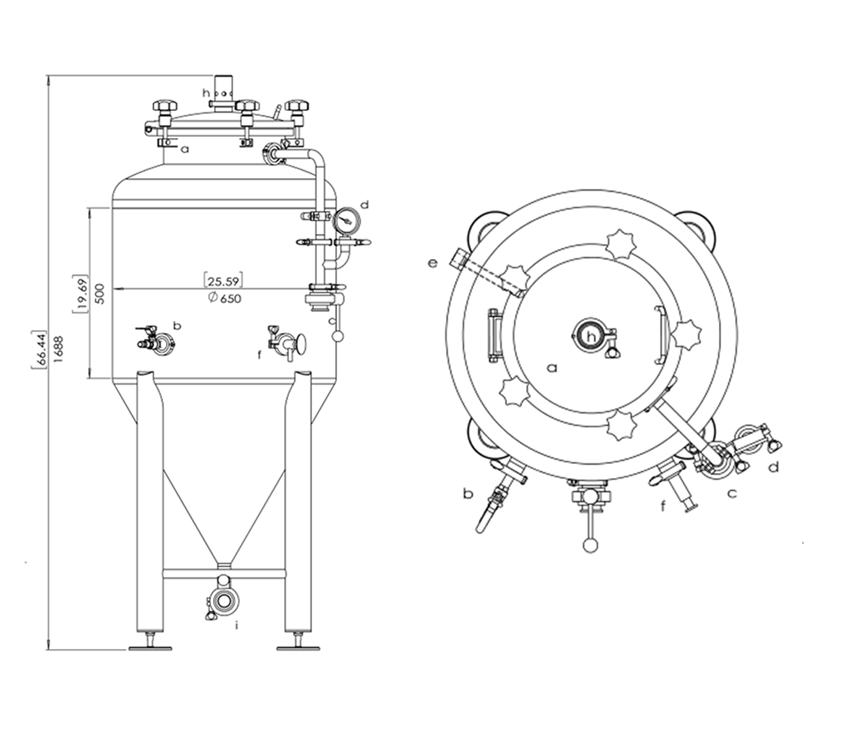
a
|
WZA-MANHOLE
|
13.7"
|
Q-OPEN
|
|
b
|
CO2-INLE
|
1.5"
|
CLAMP
|
|
c
|
CIP-INLE
|
1"
|
CLAMP
|
|
d
|
PRE-GAGE
|
1"
|
CLAMP
|
|
e
|
TEM-SENSOR
|
NPT1/2"
|
SCREW
|
|
f
|
SAMPLE VALVE
|
1.5"
|
CLAMP
|
|
h
|
SAFE VALVE
|
2"
|
CLAMP
|
|
i
|
OUTLET
|
1.5"
|
CLAMP
|
|
Table
|
|||
|
NO.
|
NAME
|
CONNECT SIZE
|
CONNECT TYPE
|
|
a
|
HOP PORT
|
6"
|
Q-OPEN
|
|
b
|
CO2-INLET
|
1.5"
|
CLAMP
|
|
c
|
CIP-INLET
|
3/4"
|
CLAMP
|
|
d
|
PRE-GAGE
|
3/4"
|
CLAMP
|
|
e
|
TEM-SENSOR
|
NPT 1/2"
|
SCREW
|
|
f
|
SAMPLE VALVE
|
1.5"
|
CLAMP
|
|
h
|
SAFE VALVE
|
2"
|
CLAMP
|
|
i
|
OUTLET
|
1.5"
|
CLAMP
|
|
DESIGN PARAMETERS
|
||
|
CONTAINER CLASS
|
PRESSURE
|
|
|
PARAMETER NAME
|
CONTAINER
|
JACKET
|
|
WORKING PRESSURE Mpa
|
0.1
|
0.3
|
|
DESIGN PRESSURE Mpa
|
0.2
|
0.4
|
|
WORKING TEMPERATURE ℃
|
-10~110℃
|
|
|
DESIGN TEMPERATURE ℃
|
-10~110℃
|
|
|
MEDIUM
|
BEER
|
GLYCOL
|
|
FULL VOLUME L
|
75
|
/
|
|
EFFECTIVE VOLUME L
|
50
|
/
|
|
SAFETY VALVE ACT PRESSURE Mpa
|
0.1
|
/
|
|
PRESSURE TEST Mpa
|
0.25
|
0.6
|
Angle valves are a device that manually or pneumatic rotates the thread to drive the valve shaft up and d...
查询VXM Series mini UHV gate valves can be divided into manual, pneumatic and electric drive modes, with Conn...
查询AdavantageMade entirely of 304 stainless steel, the quality exceeds what has previously been done in brew...
查询Condensing Coil is a great option for heating or cooling on internal or external systems. Size:6" x 6" x ...
查询On July 20th, our 8th anniversary group building event. Gratitude for eight years, building the future together, and creating brilliance again.
On May 20th, a relaxed and enjoyable team building activityTeamwork and work together with one heart.

获取报价