特性:接触介质的钢材:SS304/SS316L;尺寸:1"-4" 或 DN25-DN100;符合 FDA 177.2600 标准的 EPDM 阀座密封;多种阀体组合;气动执行器:NC、NO 或 AA;360º ...
查询角座阀适用于无法保证介质绝对纯净度的应用、需要控制高粘度介质的应用或蒸汽应用,例如:
啤酒及饮料灌装机械
纺织印染
天然气行业
药房和医疗设备
化工
消毒
起泡设备
水/污水处理
流体压力:最大 1.6MPa (232psi)
控制压力:0.3-0.8MPa(43.5-116Psi)
介质温度:-10℃-+180℃
环境温度:-10℃至+55℃
主体材质:CF8M(SS316)、CF8(SS304)
执行器材料:PA 聚酰胺,CF8(SS304)
密封件材质:聚四氟乙烯
操作方式:常闭式、常开式、双作用式或手动式
连接端:母头、焊接、三卡箍、法兰或按需定制
可选尺寸:DN10-DN100
可选配件:接近开关、电磁阀、手动行程限位器
高流量、低阻力、无水锤效应
Y型截面增大了流通截面,可使流量提高30%,并使流动更加平稳。
与球阀相比,循环寿命更长
这有助于阀杆自动调节和润滑。
安装位置:任意位置
![]() |
型号 | 尺寸 | D | E | H | T | 一个 | L | 执行器 |
| VGN44NC451050NN | DN15 | 1/2英寸 | 62 | 126 | 11 | 133 | 68 | ⌀50 | |
| VGN44NC451075NN | DN20 | 3/4英寸 | 62 | 131 | 14 | 137 | 75 | ⌀50 | |
| VGN44NC451100NN | DN25 | 1英寸 | 62 | 165 | 15 | 174 | 90 | ⌀50 | |
| VGN44NC451125NN | DN32 | 1 1/4英寸 | 76 | 175 | 17.5 | 188 | 115 | ⌀63 | |
| VGN44NC451150NN | DN40 | 1 1/2英寸 | 76 | 178 | 17.5 | 190 | 115 | ⌀63 | |
| VGN44NC451200NN | DN50 | 2英寸 | 96 | 240 | 20 | 225 | 135 | ⌀80 | |
| VGN44NC451250NN | DN65 | 2 1/2英寸 | 96 | 280 | 30 | 252 | 185 | ⌀80 | |
| VGN44NC451300NN | DN80 | 3英寸 | 114 | 320 | 33 | 280 | 220 | ⌀100 |
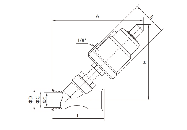
![]() |
型号 | 尺寸 | E | H | 一个 | L | D | d | 执行器 |
| VGN11NC452020NN | DN20 | 62 | 130 | 160 | 120 | 25 | 20 | ⌀50 | |
| VGN11NC45025NN | DN25 | 62 | 150 | 180 | 140 | 33 | 25 | ⌀50 | |
| VGN11NC452032NN | DN32 | 76 | 195 | 215 | 155 | 41 | 35 | ⌀63 | |
| VGN11NC452040NN | DN40 | 76 | 245 | 225 | 170 | 45 | 38 | ⌀63 | |
| VGN11NC452050NN | DN50 | 76 | 295 | 182 | 190 | 57 | 48 | ⌀63 | |
| VGN11NC452065NN | DN65 | 96 | 385 | 340 | 200 | 77 | 68 | ⌀80 | |
| VGN11NC452080NN | DN80 | 114 | 400 | 360 | 220 | 92 | 82 | ⌀80 | |
| VGN11NC451075NN | 3/4英寸 | 62 | 130 | 160 | 120 | 19.05 | 15.75 | ⌀50 | |
| VGN11NC451100NN | 1英寸 | 62 | 150 | 180 | 140 | 25.4 | 22.1 | ⌀50 | |
| VGN11NC451125NN | 1 1/4英寸 | 76 | 195 | 215 | 155 | 31.8 | 28.5 | ⌀63 | |
| VGN11NC451150NN | 1 1/2英寸 | 76 | 245 | 225 | 170 | 38.1 | 34.8 | ⌀63 | |
| VGN11NC451200NN | 2英寸 | 76 | 295 | 182 | 190 | 50.5 | 47.5 | ⌀63 | |
| VGN11NC451250NN | 2 1/2英寸 | 96 | 350 | 320 | 200 | 63.5 | 60.2 | ⌀80 |
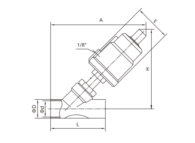
![]() |
型号 | 尺寸 | E | H | D | d | L | 一个 | 执行器 |
| VGN22NC452015NN | DN15 | 62 | 120 | 50.5 | 15 | 120 | 160 | ⌀50 | |
| VGN22NC452020NN | DN20 | 62 | 130 | 50.5 | 20 | 140 | 165 | ⌀50 | |
| VGN22NC45025NN | DN25 | 62 | 160 | 50.5 | 25 | 160 | 185 | ⌀50 | |
| VGN22NC452032NN | DN32 | 76 | 195 | 50.5 | 35 | 175 | 220 | ⌀63 | |
| VGN22NC452040NN | DN40 | 76 | 245 | 50.5 | 38 | 190 | 230 | ⌀63 | |
| VGN22NC452050NN | DN50 | 76 | 285 | 64 | 48 | 210 | 280 | ⌀63 | |
| VGN22NC452065NN | DN65 | 96 | 370 | 91 | 68 | 225 | 360 | ⌀80 | |
| VGN22NC451050NN | 1/2英寸 | 62 | 120 | 50.5 | 9.4 | 120 | 160 | ⌀50 | |
| VGN22NC451075NN | 3/4英寸 | 62 | 130 | 50.5 | 15.75 | 140 | 165 | ⌀50 | |
| VGN22NC451100NN | 1英寸 | 62 | 160 | 50.5 | 22.1 | 160 | 185 | ⌀50 | |
| VGN22NC451125NN | 1 1/4英寸 | 76 | 195 | 50.5 | 28.5 | 175 | 220 | ⌀63 | |
| VGN22NC451150NN | 1 1/2英寸 | 76 | 245 | 50.5 | 34.8 | 190 | 230 | ⌀63 | |
| VGN22NC451200NN | 2英寸 | 76 | 285 | 64 | 47.5 | 210 | 280 | ⌀63 | |
| VGN22NC451250NN | 2 1/2英寸 | 96 | 350 | 77.5 | 60.2 | 210 | 320 | ⌀80 |
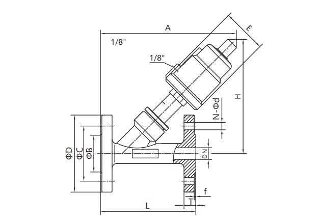
![]() |
型号 | 尺寸 | L | T | f | D | C | B | 一个 | H | E | N-⌀d | 执行器 |
| VGN55PC452015NN | DN15 | 120 | 14 | 2 | 95 | 65 | 40 | 185 | 145 | 62 | 4-⌀14 | ⌀50 | |
| VGN55PC452020NN | DN20 | 130 | 14 | 2 | 105 | 75 | 50 | 188 | 155 | 62 | 4-⌀14 | ⌀50 | |
| VGN55PC45025NN | DN25 | 140 | 14 | 2 | 115 | 65 | 60 | 208 | 165 | 62 | 4-⌀14 | ⌀50 | |
| VGN55PC452032NN | DN32 | 150 | 16 | 2 | 135 | 100 | 70 | 225 | 195 | 76 | 4-⌀18 | ⌀63 | |
| VGN55PC452040NN | DN40 | 180 | 16 | 2 | 145 | 110 | 80 | 240 | 205 | 76 | 4-⌀18 | ⌀63 | |
| VGN55PC452050NN | DN50 | 195 | 16 | 2 | 160 | 125 | 92 | 265 | 228 | 76 | 4-⌀18 | ⌀63 | |
| VGN55PC452065NN | DN65 | 230 | 18 | 2 | 185 | 145 | 115 | 290 | 264 | 96 | 4-⌀18 | ⌀80 | |
| VGN55PC452080NN | DN80 | 250 | 18 | 2 | 195 | 160 | 130 | 330 | 300 | 114 | 8-⌀18 | ⌀100 |
卫生球阀不同于普通工业阀门。它们专为高卫生环境而设计,其核心优势体现在材料选择和结构设计上。我们的卫生球阀均采用SS304和SS316L食品级不锈钢制成,这两种材料各有优势,可满足不同的应用需求。...
温州启明不锈钢有限公司,一家成立于2015年的精密不锈钢阀门及管件制造商和出口商,欣然宣布公司已于2026年之际成功迁至位于温州的全新4000平方米厂房。此次里程碑式的搬迁于2025年12月底完成,标志着公司发展的新篇章,也充分证明了此次搬迁的成功。此次大规模搬迁的顺利进行,充分体现了全体团队成员的不懈努力、相互支持和坚韧不拔的团队精神,也正是启明蓬勃发展的新起点。...
获取报价