Model No.: FVS01
查询* Material: Hose:SUS304,SUS316L
* NW flange:SUS304,SUS316L
* Working Pressure: Vacuum~Atmospheric Pressure
* Vacuum Range: 1x10-9 Torr
* Hose Thickness: CF16-CF35:0.15mm
CF63:0.2mm

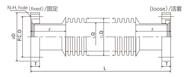
| Model for 304 | Size | ID/mm | OD/mm | D/mm | ℓ /mm | L/mm |
| FVG011F16L1004 | CF16 | 20 | 31 | 33.8 | 30 | 100 |
| FVG011F35L1004 | CF35 | 38.2 | 56 | 70 | 30 | 100 |
| FVG011F63L1004 | CF63 | 65 | 89 | 114.3 | 30 | 100 |
*Length L can be customized
On July 20th, our 8th anniversary group building event. Gratitude for eight years, building the future together, and creating brilliance again.
On May 20th, a relaxed and enjoyable team building activityTeamwork and work together with one heart.

获取报价