CF flanges are available with tapped or untapped holes. Tapped flanges are available in UNC/UNF or metric...
查询ISO-KF fittings can be used in a wide variety of applications including:
• Roughing and foreline plumbing
• Small systems
• Systems requiring frequent cleaning or modification
• Research and teaching laboratories ISO-KF components are primarily designed for use at subatmospheric pressure.


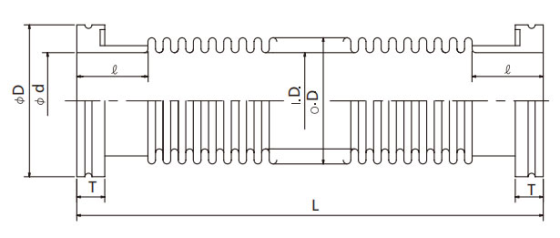
| Model for 304 | Size | ID/mm | OD/mm | D/mm | ℓ /mm | L/mm |
| FVS011M63L1004 | ISO63 | 65 | 86 | 95 | 25 | 100 |
| FVS011M80L1004 | ISO80 | 80 | 100 | 110 | 25 | 100 |
| FVS011M100L1004 | ISO100 | 100 | 125 | 130 | 25 | 100 |
| FVS011M125L1004 | ISO125 | 125 | 150 | 155 | 25 | 100 |
| FVS011M160L1004 | ISO160 | 150 | 178 | 180 | 25 | 100 |
| FVS011M200L1004 | ISO200 | 200 | 230 | 240 | 25 | 100 |
* Length L can be customized
CF flanges are available with tapped or untapped holes. Tapped flanges are available in UNC/UNF or metric...
查询CF flanges are available with tapped or untapped holes. Tapped flanges are available in UNC/UNF or metric...
查询Standard specifications: * Material: Hose:SUS304,SUS316L * NW flange:SUS304,SUS316L * Working Pressure: ...
查询On July 20th, our 8th anniversary group building event. Gratitude for eight years, building the future together, and creating brilliance again.
On May 20th, a relaxed and enjoyable team building activityTeamwork and work together with one heart.

获取报价