CF High Vacuum Butterfly Valve
CF High Vacuum Butterfly Valve
CF High Vacuum Butterfly Valve
CF High Vacuum Butterfly Valve
CF High Vacuum Butterfly Valve
CF High Vacuum Butterfly Valve

CF高真空蝶阀 SS304 SS316L 手动手轮操作 CF35不锈钢真空法兰蝶阀

型号:VBK03

商品编号:VBK03

操作方式:
手动塑料手轮
  • 手动塑料手轮
阀体:
SS304
  • SS304
O型圈材质:
氟橡胶
  • 氟橡胶
  • 丁腈
尺寸.:
CF35
  • CF35

蝶阀结构简单,可用作通风阀、截止阀或高真空阀,并可安装在半导体设备的真空排气管路中。蝶阀的特点是结构紧凑、导流性能高。这些阀门采用304或316L不锈钢制造,并提供手动或电动气动两种操作方式。

设计与功能

*带FKM密封件的旋转阀板

* 体积小巧,重量轻,易于安装

* 最小面对面尺寸,最小安装空间

* 通过调整开口程度来控制流量,可以设置为任意开口程度。

技术参数

阀体材料SS304/SS316L
座圈密封材料FKM、NBR(可选)
真空范围10⁵-6.7×10⁻⁵ Pa
泄漏率1.3×10⁻⁵ Pa·L/s
服务周期10万次
角度开启0-90度
温度范围FKM座椅密封圈-30°C 至 150°C(约)
丁腈橡胶座密封圈-25°C 至 80°C(约)
操作手动、气动、电动执行器
压缩空气0.4-0.8兆帕
开/关速度铝制执行器≤3秒
电动执行器开关型标准 30 秒,可选 10 秒、15 秒
电磁阀电压AC220V,50Hz,6W 或按需定制
标准电动执行器开关型
配备位置指示器可选信号反馈

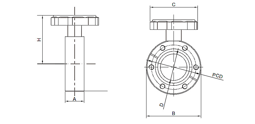
CF蝶阀

304 型号尺寸A/mm B/mm厘米/毫米直径/毫米RCD/mm螺栓孔净重/公斤
VBK03W2431K25NN CF35 25 70 48 32 61.5 58.7迪亚0.62

6.7

6

相关产品
Vacuum Chamber

真空室可提供带螺纹孔或不带螺纹孔两种选择。带螺纹孔的法兰可提供 UNCUNf 螺纹或公制螺纹。...

查询
KF Vacuum Butterfly Valve

蝶阀结构简单,可用作通风阀、截止阀或高真空阀,并可安装在半导体设备的真空排气管路中。蝶阀的特点是结构紧凑、导流性能高。这些阀门采用304或316L不锈钢制造,并提供手动或电动气动两种操作方式。...

查询
KF Flange Vacuum Butterfly Valve

蝶阀结构简单,可用作通风阀、截止阀或高真空阀,并可安装在半导体设备的真空排气管路中。蝶阀的特点是结构紧凑、导流性能高。这些阀门采用304或316L不锈钢制造,并提供手动或电动气动两种操作方式。...

查询
Vacuum Butterfly Valve

VBG01系列高真空蝶阀广泛应用于单晶硅晶片生产的晶体生长炉中。这些阀门在极低的管道压力(低至1.3×10⁻⁵ Pa)下即可实现零泄漏。锻造不锈钢阀体和特殊的密封结构设计,确保了阀门的超长使用寿命。...

查询
相关新闻
13

为什么选择不锈钢卫生球阀?

卫生球阀不同于普通工业阀门。它们专为高卫生环境而设计,其核心优势体现在材料选择和结构设计上。我们的卫生球阀均采用SS304和SS316L食品级不锈钢制成,这两种材料各有优势,可满足不同的应用需求。...

02

搬迁顺利,前途光明:4000平方米设施升级改造竣工

温州启明不锈钢有限公司,一家成立于2015年的精密不锈钢阀门及管件制造商和出口商,欣然宣布公司已于2026年之际成功迁至位于温州的全新4000平方米厂房。此次里程碑式的搬迁于2025年12月底完成,标志着公司发展的新篇章,也充分证明了此次搬迁的成功。此次大规模搬迁的顺利进行,充分体现了全体团队成员的不懈努力、相互支持和坚韧不拔的团队精神,也正是启明蓬勃发展的新起点。...

优质服务首选启明
联系我们
展会

获取报价

现在联系
Captcha Code
×
询盘篮()
取得联系
Captcha Code
×