VAR Series Stainless Steel Sanitary Air Release Valve with Pressure Gauge is a self-acting device, or cou...
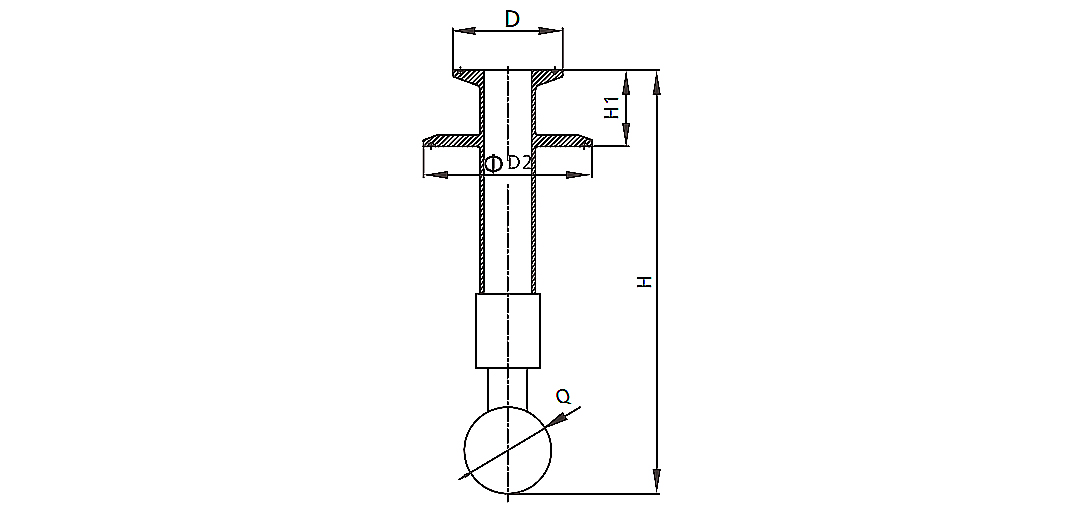
查询TCD Series Sanitary Rotary Cleaning Ball is designed based on 'easy cleaning' principle, perfectly connected by TC on top of tank (tank vent port) while rotary spray ball extend inside tank for cleaning tasks. It could be removed from tank when cleaning tasks done.
Body Materials: AISI-304 or AISI-316L
Available in size from 1/2"-2.5", DN15-DN65
Standard total length: 250mm
Standards: DIN, SMS, ISO / IDF
End connections: tri clamp
Max Temperature: 284℉ (140℃)
Working Pressure: 14.5-50Psi (1-3.5Bar)
Cleaning Radius: 3.2-10ft
Finished: mirroir or stain
VAR Series Stainless Steel Sanitary Air Release Valve with Pressure Gauge is a self-acting device, or cou...
查询VAV Series Stainless Steel Sanitary Pressure/ Vacuum Relief Valve is a self-acting device, designed for k...
查询TCA Series Sanitary Rotary Cleaning Ball applies dual ball bearing design, is better for CIP application ...
查询TCN Series sanitary fixed cleaning ball is designed for general CIP Applications.
查询On July 20th, our 8th anniversary group building event. Gratitude for eight years, building the future together, and creating brilliance again.
On May 20th, a relaxed and enjoyable team building activityTeamwork and work together with one heart.

获取报价