VBN系列蝶阀是一种流量控制装置,用于控制流体在管道某段内的流动,使其开始流动或停止流动。...
查询蝶阀是一种流量控制装置,用于控制流体在管道某段的流动。它广泛应用于食品、饮料、乳制品、酿造、制药、生物制药和化工行业的钢管系统中。
技术数据
阀门
最大产品压力:DN15-DN100为1000kPa(10Bar),DN125-DN150为800kPa(8Bar)。
最小产品压力:全真空,EPDM
温度范围:-10°C 至 +120°C
执行器
最大气压:700 千帕(7 巴)
最小气压(常闭和常开):400 kPa (4 bar)
温度范围:-25°C 至 +90°C
工作原理
蝶阀是一种阀体呈圆形、阀杆支撑旋转式阀瓣的阀门。蝶阀可通过执行器进行远程控制,也可通过手柄进行手动操作。手动操作的手柄可将阀门机械锁定在全开、半开和关闭位置。旋转手柄可使阀瓣平行或垂直于水流方向旋转,从而切断水流。执行器的设计原理是将活塞的轴向运动转化为轴的90°旋转。当阀瓣与蝶阀的密封圈接触时,执行器的扭矩增大。
-执行器有三种标准版本:常闭式 (NC)、常开式 (NO) 和气动/气动式 (A/A)。
- 电子执行器可选交流电 24V、110V、220V、380V 或直流电 24V,50Hz 或 60Hz,动作时间:9 秒、10 秒、13 秒、15 秒、20 秒、25 秒、30 秒、50 秒、60 秒和 100 秒
- 手动手柄可将阀门锁定在三个位置:全开、半开和关闭。*
*有关不同把手类型,请参阅“可用把手”。
|
参数 |
|||
|
钢材 |
产品接触液体的钢部件 |
AISI 316L / 304 锻造 |
提供材料检验报告 |
|
其他钢制部件 |
AISI 304 |
||
|
密封材料 |
标准 |
EPDM |
所有密封材料均符合FDA 21CFR117.2600标准 |
|
选项 |
VMQ/FPM |
||
|
压力 |
工作压力 |
≤10巴(145磅/平方英寸) |
|
|
气动执行器的供气压力 |
5~8巴(70~116磅/平方英寸) |
||
|
温度 |
工作温度 |
EPDM:14 ~ 248°F (-10 ~ 120°C) |
|
|
灭菌温度 |
302°F (150°C,最高 20 分钟) |
||
|
表面处理 |
内表面处理 |
Ra 16 ~ 32µin (0.4 ~ 0.8µm) |
|
|
外表面处理 |
Ra32 ~ 64µin (0.8 ~ 1.6µm) |
||
|
联系 |
焊接直径 |
焊接端: |
|
|
端部连接方式:对接焊、卫生卡箍、内外螺纹、法兰、I型管或其他方式(可根据要求提供)。 |
|||

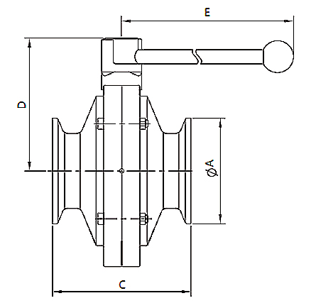
3A焊接经济型蝶阀
![]() |
型号 | 尺寸 | A | B | C | D | E |
| VBC02WH6XX1075NN | 19 | 16.1 | 19 | 52 | 71.5 | 127 | |
| VBC02WH6XX1100NN | 25 | 22.4 | 25.4 | 52 | 71.5 | 127 | |
| VBC02WH6XX1125NN | 32 | 28.8 | 31.8 | 52 | 71.5 | 127 | |
| VBC02WH6XX1150NN | 38 | 35.1 | 38.1 | 52 | 71.5 | 127 | |
| VBC02WH6XX1175NN | 45 | 42 | 45 | 52 | 74 | 127 | |
| VBC02WH6XX1200NN | 51 | 47.8 | 50.8 | 52 | 79 | 127 | |
| VBC02WH6XX1225NN | 57 | 53 | 57 | 56 | 83 | 127 | |
| VBC02WH6XX1250NN | 63 | 59.5 | 63.5 | 56 | 88.5 | 137 | |
| VBC02WH6XX1300NN | 76 | 72.2 | 76.2 | 60 | 92.5 | 137 | |
| VBC02WH6XX1350NN | 89 | 84.9 | 88.9 | 60 | 99 | 160 | |
| VBC02WH6XX1400NN | 102 | 97.6 | 101.6 | 60 | 107 | 160 | |
| VBC02WH6XX1425NN | 108 | 104 | 108 | 60 | 107 | 160 | |
| VBC02WH6XX1450NN | 114 | 110 | 114 | 64 | 112 | 160 | |
| VBC02WH6XX1525NN | 133 | 128 | 133 | 80 | 128 | 210 | |
| VBC02WH6XX1600NN | 152 | 146.8 | 152.4 | 90 | 146 | 210 | |
| VBC02WH6XX1625NN | 159 | 154 | 159 | 90 | 146 | 210 | |
| VBC02WH6XX1800NN | 203 | 198 | 203.2 | 92 | 193 | 295 | |
| VBC02WH6XX2010NN | 219 | 213 | 219 | 92 | 193 | 295 |
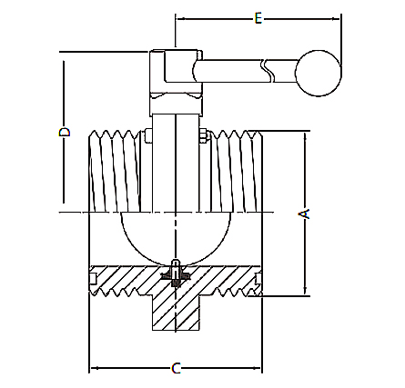
3A 卡箍式经济型蝶阀(英寸)
![]() |
型号 | 尺寸 | A | C | D | E |
| VBC02CH6XX1075NN | 19 | 50.5 | 66 | 71.5 | 127 | |
| VBC02CH6XX1100NN | 25 | 50.5 | 66 | 71.5 | 127 | |
| VBC02CH6XX1125NN | 32 | 50.5 | 66 | 71.5 | 127 | |
| VBC02CH6XX1150NN | 38 | 50.5 | 66/70 | 71.5 | 127 | |
| VBC02CH6XX1175NN | 45 | 64 | 70 | 74 | 127 | |
| VBC02CH6XX1200NN | 51 | 64 | 70/72 | 79 | 127 | |
| VBC02CH6XX1225NN | 57 | 77.5 | 76 | 83 | 127 | |
| VBC02CH6XX1250NN | 63 | 77.5 | 76 | 88.5 | 137 | |
| VBC02CH6XX1300NN | 76 | 91 | 76 | 92.5 | 137 | |
| VBC02CH6XX1350NN | 89 | 106 | 80 | 99 | 160 | |
| VBC02CH6XX1400NN | 102 | 119 | 90 | 107 | 160 | |
| VBC02CH6XX1425NN | 108 | 119 | 90 | 107 | 160 | |
| VBC02CH6XX1450NN | 114 | 130 | 106 | 112 | 160 | |
| VBC02CH6XX1525NN | 133 | 145 | 100 | 128 | 210 | |
| VBC02CH6XX1600NN | 152 | 167 | 132/100 | 146 | 210 | |
| VBC02CH6XX1625NN | 159 | 183 | 132 | 146 | 210 | |
| VBC02CH6XX1800NN | 203 | 217 | 134 | 193 | 295 | |
| VBC02CH6XX2010NN | 219 | 233.5 | 134 | 193 | 295 |
SMS Therad 经济型蝶阀(英寸)
![]() |
型号 | 尺寸 | A | C | D | E |
| VBC02MH6XX1075NN | 19 | RD36X1/8 | 68 | 68 | 127 | |
| VBC02MH6XX1100NN | 25 | RD40X1/6 | 70 | 71.5 | 127 | |
| VBC02MH6XX1125NN | 32 | RD48X1/6 | 70 | 71.5 | 127 | |
| VBC02MH6XX1150NN | 38 | RD60X1/6 | 70 | 71.5 | 127 | |
| VBC02MH6XX1200NN | 51 | RD70X1/6 | 74 | 79 | 127 | |
| VBC02MH6XX1250NN | 63 | RD85X1/6 | 80 | 88 | 137 | |
| VBC02MH6XX1300NN | 76 | RD98X1/6 | 84 | 92 | 137 | |
| VBC02MH6XX1350NN | 89 | RD110X1/6 | 86 | 110 | 160 | |
| VBC02MH6XX1400NN | 102 | RD125X1/6 | 88 | 110 | 160 |
127
卫生球阀不同于普通工业阀门。它们专为高卫生环境而设计,其核心优势体现在材料选择和结构设计上。我们的卫生球阀均采用SS304和SS316L食品级不锈钢制成,这两种材料各有优势,可满足不同的应用需求。...
温州启明不锈钢有限公司,一家成立于2015年的精密不锈钢阀门及管件制造商和出口商,欣然宣布公司已于2026年之际成功迁至位于温州的全新4000平方米厂房。此次里程碑式的搬迁于2025年12月底完成,标志着公司发展的新篇章,也充分证明了此次搬迁的成功。此次大规模搬迁的顺利进行,充分体现了全体团队成员的不懈努力、相互支持和坚韧不拔的团队精神,也正是启明蓬勃发展的新起点。...
获取报价