制药三通隔膜阀
制药三通隔膜阀
制药三通隔膜阀
制药三通隔膜阀
制药三通隔膜阀
制药三通隔膜阀
制药三通隔膜阀

T型隔膜阀带复合膜片 卫生级SS316L三通卡箍/焊接隔膜阀 制药手动T型三通隔膜阀 不锈钢食品制药级耐腐蚀高温阀门

型号:VDT01

商品编号:VDT01

端部连接:
卡箍
  • 卡箍
  • 焊接
  • 焊接X卡箍
操作方式:
手动塑料手轮
  • 手动塑料手轮
  • 手动不锈钢手轮
  • 常开型不锈钢执行器
  • 常闭型不锈钢执行器
  • 不锈钢双作用执行器
  • 常闭型塑料执行器
  • 常开型塑料执行器
  • 塑料双作用执行器
阀体:
SS316L
  • SS316L
膜材料:
三元乙丙
  • 三元乙丙
  • 三元乙丙+四氟
尺寸:
3A 1/2"
  • 3A 1/2"
  • 3A 3/4"
  • 3A 1"
  • 3A 11/4"
  • 3A 11/2"
  • 3A 2"
  • 3A 21/2"

应用

VDT系列是一款T型设计的卫生级隔膜阀,专为食品、饮料、乳制品、酿造、制药等行业设计。它在流量控制以及开关操作方面表现出色。

·在高纯度系统的取样/进样点非常有用

·无空腔且可自动排水

·完全可高压灭菌

·通过隔膜将流体与操作机构密封隔离

·完全可追溯性,符合 EN10204 3.1 标准

·可提供多种内表面光洁度,每种光洁度均小于 0.40 Ra。

·可缩减端口

材料

  • 主体:AISI-316L

  • 膜材:EPDM+PTFE 或 EDM

密封材料符合FDA177.2600标准。采用专有技术,隔膜由EPDM和PTFE组合而成,并用不锈钢螺栓固定。与介质接触的密封部分采用PTFE材料,具有良好的耐寒性(-13℉/-25℃)、优异的耐热性(482℉/+250℃)、耐大多数化学品腐蚀以及优异的耐介质磨损性能。

标准设计

  • 标准:DIN、SMS、ISO/IDF、BS/RJT、ASME/BPE。

  • 端部连接方式:焊接、卫生级卡箍或其他按需提供的方式

  • 阀体类型:T 型三通、U 型三通、迷你型、罐底型等

技术规格

  • 最大工作压力:147psi(10bar)

  • 温度范围:14 ~ 248℉(-10 ~ 120℃),EPDM

  • 内表面抛光:Ra 16-32微米(0.4~0.8µm)

  • 可用于CIP/SIP。

膜+烷 技术数据
材料 PTFE+EPDM 连接尺寸 3/4"-"或DN15-DN50
两件式模压开口 MOC-润湿(接触) 316L不锈钢
介质温度(EPDM) -10℃至+80℃ MOC润湿(非接触式) 聚酰胺或CF8(SS304)
介质温度(EPDM/PTFE) -10℃至+100℃ 表面处理 机械抛光或电解抛光
灭菌温度(EPDM) 最高温度可达+120℃ 末端连接 卡箍
灭菌温度(EPDM/PTFE) 最高耐受温度+150℃ 焊接
  螺纹
手术 不锈钢手轮
塑料手轮
塑料气动执行器
SS气动执行器
安装 根据需要,最好将手柄置于直立位置

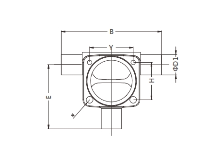
焊接T型隔膜阀VDT

型号 尺寸 D1 B E HxY M
VDT11W1661050NN 1/2英寸 12.7 72 46 22x22 M4
VDT11W1661075NN 3/4英寸 19.05 92 65 37x32 M5
VDT11W1661100NN 1英寸 25.4 128 81 57x47 M8
VDT11W1661125NN 1 1/4英寸 31.8 153 114 70x64 M10
VDT11W1661150NN 1 1/2英寸 38.1 153 112 70x64 M10
VDT11W1661200NN 2英寸 50.8 172 142 85x75 M12
VDT11W1661250NN 2 1/2英寸 63.5 195 156 105x91 M14

 

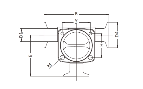
卡箍T型隔膜阀VDT

型号 尺寸 D1 B E HxY M D4
VDT22W1661050NN 1/2英寸 12.7 72 46 22x22 M4 25.2
VDT22W1661075NN 3/4英寸 19.05 92 65 37x32 M5 25.2
VDT22W1661100NN 1英寸 25.4 128 81 57x47 M8 50.5
VDT22W1661125NN 1 1/4英寸 31.8 153 114 70x64 M10 50.5
VDT22W1661150NN 1 1/2英寸 38.1 153 112 70x64 M10 50.5
VDT22W1661200NN 2英寸 50.8 172 142 85x75 M12 64
VDT22W1661250NN 2 1/2英寸 63.5 195 156 105x91 M14 77.5

 

相关产品
卫生级三通隔膜阀

VDF系列隔膜阀采用锻造阀体,专为食品、饮料、乳制品、酿造、制药等行业设计。它在流量控制以及开关操作方面表现出色。...

查询
迷你直通隔膜阀

VDM 迷你型隔膜阀,专为食品、饮料、乳制品、酿造、制药等行业设计。它在流量控制以及开关操作方面表现出色。...

查询
U型三通隔膜阀

VDU系列是一款U型设计的卫生级隔膜阀,专为食品、饮料、乳制品、酿造、制药等行业设计。它在流量控制以及开关操作方面表现出色。...

查询
焊接手动直通隔膜阀

VDE系列隔膜阀,锻造阀体,专为食品、饮料、乳制品、酿造、制药等行业设计。它在流量控制以及开关操作方面表现出色。...

查询
相关新闻
13

为什么选择不锈钢卫生球阀?

卫生球阀不同于普通工业阀门。它们专为高卫生环境而设计,其核心优势体现在材料选择和结构设计上。我们的卫生球阀均采用SS304和SS316L食品级不锈钢制成,这两种材料各有优势,可满足不同的应用需求。...

02

搬迁顺利,前途光明:4000平方米设施升级改造竣工

温州启明不锈钢有限公司,一家成立于2015年的精密不锈钢阀门及管件制造商和出口商,欣然宣布公司已于2026年之际成功迁至位于温州的全新4000平方米厂房。此次里程碑式的搬迁于2025年12月底完成,标志着公司发展的新篇章,也充分证明了此次搬迁的成功。此次大规模搬迁的顺利进行,充分体现了全体团队成员的不懈努力、相互支持和坚韧不拔的团队精神,也正是启明蓬勃发展的新起点。...

优质服务首选启明
联系我们

获取报价

现在联系
Captcha Code
×
询盘篮()
取得联系
Captcha Code
×