3A Weld Male
3A Weld Male

卫生级 3A-15TRF 短斜面座焊接外螺纹 SS304 SS316L 3A-15A 长焊接外螺纹不锈钢活接头

型号:FUM

商品编号:FUM

型号:
短款
  • 短款
  • 长款
尺寸.:
3A 1"
  • 3A 1"
  • 3A 1 1/2"
  • 3A 2"
  • 3A 2 1/2"
  • 3A 3"
  • 3A 4"
材质:
SS304
  • SS304
  • SS316L

应用

Uinon管件适用于可进行原位清洗(CIP)且无需从系统中拆卸的永久性安装工艺管道和设备。焊接管件的公称管径范围为1/2英寸至8英寸,材质为T304和T316L。1/2英寸至3英寸尺寸的管壁厚度均为0.065英寸(16号钢)。4英寸尺寸的管壁厚度为0.083英寸(14号钢),6英寸和8英寸尺寸的管壁厚度为0.109英寸(12号钢)。

以下是304不锈钢卫生级卡箍式接头套件的专业英文描述:304不锈钢卫生级接头套件描述 产品名称* 304不锈钢卫生级快速连接接头套件(卡箍/螺纹式) 主要规格 材质: 主体:304不锈钢(06Cr19Ni10),耐腐蚀,符合GB/T 1220标准。 密封件:食品级EPDM/FKM/硅胶(可选),通过FDA/EC1935认证。 表面处理:机械抛光(Ra ≤ 0.8μm),内表面镜面抛光,无死角设计。 可选电解抛光或钝化处理(增强耐腐蚀性)。 符合标准:DIN/SMS/ISO/3A(以实际认证为准)。 组件包括: 1. 接头主体:精密铸造304不锈钢,快速释放设计,可360°旋转对准。 2. 连接类型:卡箍式:不锈钢三卡箍,带防滑锁定机构。螺纹类型:可选BSP/NPT/卡箍螺纹。3. 密封垫:耐高温(-20°C至120°C),抗老化,符合食品安全标准。特点:卫生设计:符合GMP/HACCP标准,适用于无菌管道系统。无死角,支持CIP/SIP清洗和灭菌。耐用性:304不锈钢耐弱酸、弱碱和有机溶剂。工作压力:1.0MPa–1.6MPa(因尺寸而异)。易于安装:三卡箍设计,无需工具即可拆卸和维护。兼容DN15–DN100(1/2"–4")管道;可定制尺寸。应用领域:食品饮料:乳制品、啤酒、果汁、调味品管道。制药:纯净水、注射用水(WFI)系统。化妆品:高纯度液体输送。包装及认证 - 独立包装于防尘袋中,配有密封件/夹子。- 提供材料测试证书 (MTC) 和卫生合规文件。

材料

  • 主体:AISI-304 和 AISI-316L

标准设计

  • 标准:SMS、ISO/IDF、DS、RJT、DIN、DIN11864 等

  • 端部连接方式:焊接

  • 可选尺寸:1"-4" 或 DN10-DN150

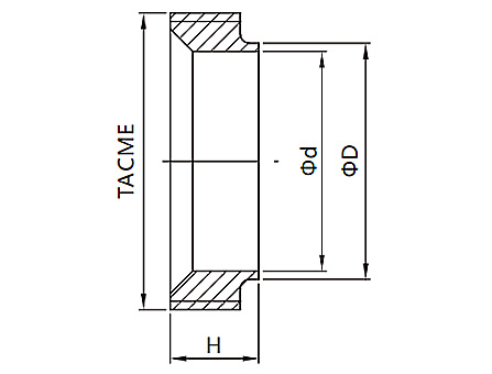
图纸标签上的详细规格

3A-15TRF 短斜面座焊接公头

模型尺寸直径/毫米d/mm塔克米净重/克
FUM011100 1英寸25.4 22.1 36.97x8 18.3 59
FUM011150 1½英寸38.1 34.8 50.49x8 18.3 104
FUM011200 2英寸50.8 47.5 64x8 19.1 136
FUM011250 2½英寸63.5 60.2 77.51x8 22.3 195
FUM011300 3英寸76.2 72.9 91.03x8 23.1 272
FUM011400 4英寸101.6 97.6 119.04x6 26.2 557

3A-15A 长焊公头

模型尺寸直径/毫米d/mm塔克米净重/克
FUM021100 1英寸25.4 22.1 36.97x8 34.9 81.5
FUM021150 1½英寸38.1 34.8 50.49x8 38.1 131.5
FUM021200 2英寸50.8 47.5 64x8 38.1 172
FUM021250 2½英寸63.5 60.2 77.51x8 44.5 185.5
FUM021300 3英寸76.2 72.9 91.03x8 44.5 394
FUM021400 4英寸101.6 97.6 119.04x6 44.5 607

相关产品
 3A-16A Blank End Cap

活接头用于永久性安装,工艺管道和设备可以就地清洗 (CIP),无需从系统中拆卸。...

查询
DIN Blind Nut

活接头用于永久性安装,工艺管道和设备可以就地清洗 (CIP),无需从系统中拆卸。...

查询
DIN Nut

活接头用于永久性安装,工艺管道和设备可以就地清洗 (CIP),无需从系统中拆卸。...

查询
3A-14PRF Weld Liner

活接头用于永久性安装,工艺管道和设备可以就地清洗 (CIP),无需从系统中拆卸。...

查询
相关新闻
13

为什么选择不锈钢卫生球阀?

卫生球阀不同于普通工业阀门。它们专为高卫生环境而设计,其核心优势体现在材料选择和结构设计上。我们的卫生球阀均采用SS304和SS316L食品级不锈钢制成,这两种材料各有优势,可满足不同的应用需求。...

02

搬迁顺利,前途光明:4000平方米设施升级改造竣工

温州启明不锈钢有限公司,一家成立于2015年的精密不锈钢阀门及管件制造商和出口商,欣然宣布公司已于2026年之际成功迁至位于温州的全新4000平方米厂房。此次里程碑式的搬迁于2025年12月底完成,标志着公司发展的新篇章,也充分证明了此次搬迁的成功。此次大规模搬迁的顺利进行,充分体现了全体团队成员的不懈努力、相互支持和坚韧不拔的团队精神,也正是启明蓬勃发展的新起点。...

优质服务首选启明
联系我们
展会

获取报价

现在联系
Captcha Code
×
询盘篮()
取得联系
Captcha Code
×