DS Nut
 DS Nut

卫生级DS螺母接头 不锈钢DS螺母 SS304 SS316L 卫生级接头 活接圆螺母

型号:FUN01

商品编号:FUN01

尺寸.:
DS 1"
  • DS 1"
  • DS 11/4"
  • DS 11/2"
  • DS 2"
  • DS 21/2"
  • DS 3"
  • DS 4"
材质:
SS304
  • SS304
  • SS316L

应用

活接管件用于可进行原位清洗 (CIP) 且无需从系统中拆卸的永久性安装工艺管道和设备。焊接管件的公称管径范围为 1/2 英寸至 8 英寸,材质为 T304 和 T316L。1/2 英寸至 3 英寸尺寸的管壁厚度均为 0.065 英寸(16 号钢)。4 英寸尺寸的管壁厚度为 0.083 英寸(14 号钢),6 英寸和 8 英寸尺寸的管壁厚度为 0.109 英寸(12 号钢)。

以下是304不锈钢卫生级卡箍式接头套件的专业英文描述:304不锈钢卫生级接头套件描述 产品名称* 304不锈钢卫生级快速连接接头套件(卡箍/螺纹式) 主要规格 材质: 主体:304不锈钢(06Cr19Ni10),耐腐蚀,符合GB/T 1220标准。 密封件:食品级EPDM/FKM/硅胶(可选),通过FDA/EC1935认证。 表面处理:机械抛光(Ra ≤ 0.8μm),内表面镜面抛光,无死角设计。 可选电解抛光或钝化处理(增强耐腐蚀性)。 符合标准:DIN/SMS/ISO/3A(以实际认证为准)。 组件包括: 1. 接头主体:精密铸造304不锈钢,快速释放设计,可360°旋转对准。 2. 连接类型:卡箍式:不锈钢三卡箍,带防滑锁定机构。螺纹类型:可选BSP/NPT/卡箍螺纹。3. 密封垫:耐高温(-20°C至120°C),抗老化,符合食品安全标准。特点:卫生设计:符合GMP/HACCP标准,适用于无菌管道系统。无死角,支持CIP/SIP清洗和灭菌。耐用性:304不锈钢耐弱酸、弱碱和有机溶剂。工作压力:1.0MPa–1.6MPa(因尺寸而异)。易于安装:三卡箍设计,无需工具即可拆卸和维护。兼容DN15–DN100(1/2"–4")管道;可定制尺寸。应用领域:食品饮料:乳制品、啤酒、果汁、调味品管道。制药:纯净水、注射用水(WFI)系统。化妆品:高纯度液体输送。包装及认证 - 独立包装于防尘袋中,配有密封件/夹子。- 提供材料测试证书 (MTC) 和卫生合规文件。

材料

  • 主体:AISI-304 和 AISI-316L

标准设计

  • 标准:SMS、ISO/IDF、DS、RJT、DIN、DIN11864 等

  • 端部连接方式:焊接

  • 可选尺寸:1"-4" 或 DN10-DN150

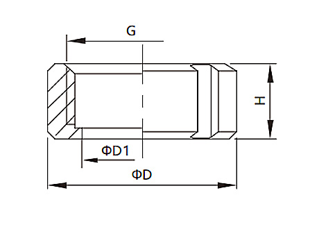
图纸标签上的详细规格

DS螺母

模型尺寸D1直径/毫米G净重/克
FUN016100 1英寸34.8 57 Ra44x1/6 20
FUN016125 1¼英寸42.5 65 Ra52x1/6 20
FUN016150 1½英寸48.5 71 Ra58x1/6 20
FUN016200 2英寸62.5 86 Ra72x1/6 22
FUN016250 2½英寸76.2 103 Ra88x1/6 24
FUN016300 3英寸88.5 115 Ra100x1/6 25
FUN016400 4英寸117 148 Ra130x1/4 31
相关产品
AS Equal Tee

卫生级管件带有卫生级卡箍端头,广泛应用于食品、乳制品、饮料、化妆品、制药和精细化工行业的管道系统。...

查询
AS Weld Cross

卫生级管件带有卫生级卡箍端头,广泛应用于食品、乳制品、饮料、化妆品、制药和精细化工行业的管道系统。...

查询
DS Gasket

卫生级卡箍式垫片是当今最常用的垫片之一,也是卫生级工艺行业的首选垫片。这类垫片有多种材质可供选择。其连接方式为:不锈钢卡箍中间夹有垫片,卡箍套在卡箍两侧,将两者压紧。这种连接方式快速、简便,且符合卫生标准。...

查询
DS Blind Nut

活接头用于永久性安装,工艺管道和设备可以就地清洗 (CIP),无需从系统中拆卸。...

查询
相关新闻
13

为什么选择不锈钢卫生球阀?

卫生球阀不同于普通工业阀门。它们专为高卫生环境而设计,其核心优势体现在材料选择和结构设计上。我们的卫生球阀均采用SS304和SS316L食品级不锈钢制成,这两种材料各有优势,可满足不同的应用需求。...

02

搬迁顺利,前途光明:4000平方米设施升级改造竣工

温州启明不锈钢有限公司,一家成立于2015年的精密不锈钢阀门及管件制造商和出口商,欣然宣布公司已于2026年之际成功迁至位于温州的全新4000平方米厂房。此次里程碑式的搬迁于2025年12月底完成,标志着公司发展的新篇章,也充分证明了此次搬迁的成功。此次大规模搬迁的顺利进行,充分体现了全体团队成员的不懈努力、相互支持和坚韧不拔的团队精神,也正是启明蓬勃发展的新起点。...

优质服务首选启明
联系我们
展会

获取报价

现在联系
Captcha Code
×
询盘篮()
取得联系
Captcha Code
×