活接式止回阀
活接式止回阀
活接式止回阀
活接式止回阀
活接式止回阀
活接式止回阀
活接式止回阀

SS304 SS316L 活接式止回阀 3A/DIN 卫生级单向阀 食品级不锈钢弹簧式焊接止回阀

型号:VCU01

商品编号:VCU01

端部连接:
卡箍
  • 卡箍
  • 焊接
材质:
  • 三元乙丙
  • 氟橡胶
  • 丁腈
尺寸.:
3A 1"
  • 3A 1"
  • 3A 1 1/4"
  • 3A 1 1/2"
  • 3A 2"
  • 3A 2 1/2"
  • 3A 3"
  • 3A 4"
  • DN25
  • DN32
  • DN40
  • DN50
  • DN65
  • DN80
  • DN100

应用

VCU系列产品可防止流体回流,确保流体单向流动。它可用于防止泵失吸,并避免食品加工、饮料、葡萄酒酿造、油脂制造、化妆品、制药和化工行业出现管道锤击现象。

材料

材质:AISI304 316L

密封材料符合FDA177.2600标准。

标准设计

标准:DIN、SMS、ISO/IDF、BS/RJT、ASME/BPE。

技术规格

可选尺寸:1"、1 1/2"、2"、2 1/2"、3"、3.5"、4";

最大工作压力:147psi(10bar)

温度范围:14 ~ 248°F (-10 ~ 120°C),EPDM

内表面抛光:Ra 16-32µin (0.4 ~ 0.8µm)

连接方式:焊接、螺纹连接、卡箍连接、DIN标准、SMS标准、RJT标准、IDF标准、ISO标准

  • 效果图
  • 物品 姓名 材料 数量
    1 螺母 SS304 1
    2 阀盖 SS304/SS316L 1
    3 阀体密封垫 EPDM* 1
    4 阀盘 SS304/SS316L 1
    5 弹簧 SS304/SS316L 1
    6 气门杆 SS304/SS316L 1
    7 座圈密封 EPDM* 1
    8 阀体 SS304/SS316L 1

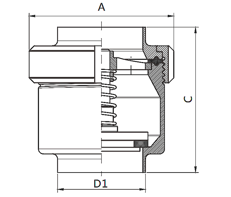
    VCU止回阀

    型号 尺寸 A C D1
    VCU01UXX1100 1英寸 64 68 25.4
    VCU01UXX1125 1 1/4英寸 64 68 31.8
    VCU01UXX1150 1 1/2英寸 71 76 38.1
    VCU01UXX1200 2英寸 86 86 50.8
    VCU01UXX1250 2½英寸 108 102 63.5
    VCU01UXX1300 3英寸 145.3 120 76.2
    VCU01UXX1400 4英寸 64 68 101.6
    VCU01UXX2025 DN25 64 68 28
    VCU01UXX2032 DN32 71 76 34
    VCU01UXX2040 DN40 86 86 40
    VCU01UXX2050 DN50 100 102 52
    VCU01UXX2065 DN65 112 110 70
    VCU01UXX2080 DN80 123 120 85
    VCU01UXX2100 DN100 143.5 135 104
相关产品
快装吹气止回阀

CONCEPT VCA 空气吹扫止回阀设计用于排出管路中的产品或 CIP 清洗液,以及对储罐和其他容器中的产品进行空气搅拌。它还有助于保护管道免受腐蚀。...

查询
Y型止回阀

VC系列产品可防止流体回流,并确保流体仅沿一个方向流动,从而防止食品加工过程中泵失去吸力,避免管道锤击。...

查询
转轴阀

VAB系列卫生级旋转式抽液臂阀是任何锥形发酵罐或发酵罐的必备部件。抽液臂通常安装在圆锥形发酵罐的底部锥体中,缓慢向下旋转,抽取清澈的液体,直至酵母的细小沉淀物开始滴落。它广泛应用于啤酒、饮料、乳制品、果汁、制药...

查询
快装卫生级迷你排气阀

VAM系列排气阀用于压力容器上,防止压力容器因过压而爆炸。它广泛应用于食品加工、酿造、饮料和制药行业。...

查询
相关新闻
13

为什么选择不锈钢卫生球阀?

卫生球阀不同于普通工业阀门。它们专为高卫生环境而设计,其核心优势体现在材料选择和结构设计上。我们的卫生球阀均采用SS304和SS316L食品级不锈钢制成,这两种材料各有优势,可满足不同的应用需求。...

02

搬迁顺利,前途光明:4000平方米设施升级改造竣工

温州启明不锈钢有限公司,一家成立于2015年的精密不锈钢阀门及管件制造商和出口商,欣然宣布公司已于2026年之际成功迁至位于温州的全新4000平方米厂房。此次里程碑式的搬迁于2025年12月底完成,标志着公司发展的新篇章,也充分证明了此次搬迁的成功。此次大规模搬迁的顺利进行,充分体现了全体团队成员的不懈努力、相互支持和坚韧不拔的团队精神,也正是启明蓬勃发展的新起点。...

优质服务首选启明
联系我们

获取报价

现在联系
Captcha Code
×
询盘篮()
取得联系
Captcha Code
×