该系列无菌配件由德国卫生工业开发,旨在满足食品、化工和制药行业的严格需求。...
查询该系列无菌配件由德国卫生工业开发,旨在满足食品、化工和制药行业的严格需求。
三种管件设计分别适用于两种不同类型的无菌密封件,从而在管道内实现平滑的界面,同时在接头后面实现金属对金属的密封。
所使用的密封件分别称为“A型”和“B型”,两者具有易于识别的独特轮廓。A型为O型环连接,而B型为带有辅助内部菱形截面的两件式方形密封件。
尺寸范围:DN10 - DN100
材质:316L不锈钢
标准:DIN 11866 / 11850、ISO1127
可选尺寸:DN10-DN100
DIN 11864-1 A型 - 无菌螺纹连接
DIN 11864-2 A型 - 无菌法兰连接
DIN 11864-3 A型 - 无菌三卡箍接头

该系列无菌管件由德国卫生工业公司开发,旨在满足食品、化工和制药行业的严格需求。启明提供不同长度的无菌管件,适用于轨道焊接和手工焊接。这些管件的设计符合DlN 11850: 1S0 2037、ASME BPE 2002和BS 4825第1部分中的管材规格,也符合Schedule 1127标准。
规格
DIN 11864-1 无菌螺纹连接

DIN 11864-2 无菌法兰接头

DIN 11864-3 无菌卡箍接头

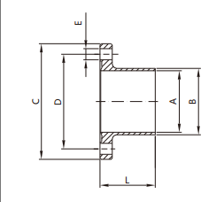
![]() | 模型 | 尺寸 | A/mm | B/mm | 厘米/毫米 | 直径/毫米 | E/mm | 升/毫米 | 净重/克 |
| FLA2420106S2 | DN10 | 10 | 13 | 54 | 37 | 4x⌀9 | 40 | 160 | |
| FLA2420156S2 | DN15 | 16 | 19 | 59 | 42 | 4x⌀9 | 40 | 190 | |
| FLA2420206S2 | DN20 | 20 | 23 | 64 | 47 | 4x⌀9 | 40 | 230 | |
| FLA2420256S2 | DN25 | 26 | 29 | 70 | 53 | 4x⌀9 | 40 | 260 | |
| FLA2420326S2 | DN32 | 32 | 35 | 76 | 59 | 4x⌀9 | 45 | 300 | |
| FLA2420406S2 | DN40 | 38 | 41 | 82 | 65 | 4x⌀9 | 45 | 340 | |
| FLA2420506S2 | DN50 | 50 | 53 | 94 | 77 | 4x⌀9 | 45 | 420 | |
| FLA2420656S1 | DN65 | 66 | 70 | 113 | 95 | 8x⌀9 | 54 | 300 | |
| FLA2420806S1 | DN80 | 81 | 85 | 133 | 112 | 8x⌀11 | 58 | 910 | |
| FLA2421006S1 | DN100 | 100 | 104 | 159 | 137 | 8x⌀11 | 60 | 1420 | |
| FLA2421256S1 | DN125 | 125 | 129 | 183 | 161 | 8x⌀11 | 60 | 1720 | |
| FLA2421506S1 | DN150 | 150 | 154 | 213 | 188 | 8x⌀14 | 60 | 2380 |
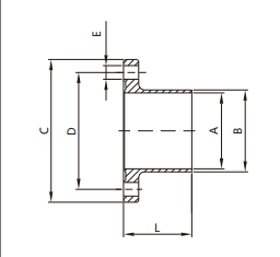
![]() | 模型 | 尺寸 | A/mm | B/mm | 厘米/毫米 | 直径/毫米 | E/mm | 升/毫米 | 净重/克 |
| FLA2410506 | 1/2英寸 | 9.4 | 12.7 | 54 | 37 | 4x⌀9 | 40 | 160 | |
| FLA2410756 | 3/4英寸 | 15.75 | 19.05 | 59 | 42 | 4x⌀9 | 40 | 200 | |
| FLA2411006 | 1英寸 | 22.1 | 25.4 | 66 | 49 | 4x⌀9 | 40 | 240 | |
| FLA2411506 | 1½英寸 | 34.8 | 38.1 | 79 | 62 | 4x⌀9 | 45 | 330 | |
| FLA2412006 | 2英寸 | 47.5 | 50.8 | 92 | 75 | 4x⌀9 | 45 | 410 | |
| FLA2412506 | 2½英寸 | 60.2 | 63.5 | 107 | 89 | 8x⌀9 | 54 | 530 | |
| FLA2413006 | 3英寸 | 72.9 | 76.2 | 125 | 104 | 8x⌀11 | 56 | 800 | |
| FLA2414006 | 4英寸 | 97.38 | 101.6 | 157 | 135 | 8x⌀11 | 58 | 1410 |
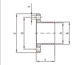
![]() | 模式 | 尺寸 | A/mm | B/mm | 厘米/毫米 | 直径/毫米 | E/mm | 升/毫米 | 净重/克 |
| FLA2470256 | 1/4英寸 | 10.3 | 13.5 | 54 | 37 | 4x⌀9 | 40 | 150 | |
| FLA2470386 | 3/8英寸 | 14 | 17.2 | 59 | 42 | 4x⌀9 | 40 | 150 | |
| FLA2470506 | 1/2英寸 | 18.1 | 21.3 | 62 | 45 | 4x⌀9 | 40 | 210 | |
| FLA2470756 | 3/4英寸 | 23.7 | 26.9 | 69 | 52 | 4x⌀9 | 40 | 260 | |
| FLA2471006 | 1英寸 | 29.7 | 33.7 | 74 | 57 | 4x⌀9 | 45 | 310 | |
| FLA2471256 | 1¼英寸 | 38.4 | 42.4 | 82 | 65 | 4x⌀9 | 45 | 360 | |
| FLA2471506 | 1½英寸 | 44.3 | 48.3 | 88 | 71 | 4x⌀9 | 45 | 400 | |
| FLA2472006 | 2英寸 | 56.3 | 60.3 | 103 | 85 | 4x⌀9 | 54 | 550 | |
| FLA2472506 | 2½英寸 | 72.1 | 76.1 | 125 | 104 | 8x⌀11 | 56 | 770 | |
| FLA2473006 | 3英寸 | 84.3 | 88.9 | 137 | 116 | 8x⌀11 | 58 | 990 | |
| FLA2474006 | 4英寸 | 109.7 | 114.3 | 167 | 146 | 8x⌀11 | 58 | 1600 |
卫生球阀不同于普通工业阀门。它们专为高卫生环境而设计,其核心优势体现在材料选择和结构设计上。我们的卫生球阀均采用SS304和SS316L食品级不锈钢制成,这两种材料各有优势,可满足不同的应用需求。...
温州启明不锈钢有限公司,一家成立于2015年的精密不锈钢阀门及管件制造商和出口商,欣然宣布公司已于2026年之际成功迁至位于温州的全新4000平方米厂房。此次里程碑式的搬迁于2025年12月底完成,标志着公司发展的新篇章,也充分证明了此次搬迁的成功。此次大规模搬迁的顺利进行,充分体现了全体团队成员的不懈努力、相互支持和坚韧不拔的团队精神,也正是启明蓬勃发展的新起点。...
获取报价