该系列无菌配件由德国卫生工业开发,旨在满足食品、化工和制药行业的严格需求。...
查询QiiMii 无菌连接器是一种无菌安装法兰,适用于各种安装在容器上的设备,例如温度变送器、液位变送器和带卡箍连接的取样阀。它具有卓越的 CIP/SIP 性能,并允许设备齐平安装在容器的顶部、底部和侧面。该连接器设计简洁,无菌性能优异。
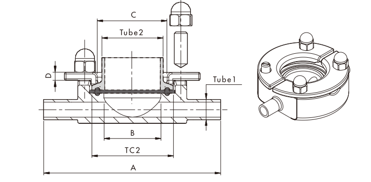
特征
焊接法兰:SS316L
螺栓和螺母:SS304
锁紧环:SS316L

尺寸范围从 1/2"-2.5",DN15-DN65
标准总长度:250毫米
标准:DIN、SMS、ISO/IDF
端部连接:三卡箍
工作压力:-14.5 至 100psi
温度范围:-80°C 至 2000°C
表面:产品接触面的表面粗糙度 Ra<0.5 mm 或更高
灵活的解决方案
奇米无菌连接器可连接多种采用TC接口的设备,并可加装盲盖而不影响系统的无菌性能。除了为应对突发需求做好准备外,许多客户还选择焊接额外的无菌连接器,并将多余的连接器加装盲盖。与切割罐体并焊接新接口相比,拆除盲盖并连接新设备所节省的成本和时间非常可观。

OiMli 无菌连接器提供罐式连接和在线连接两种版本。随着工艺过程中对可追溯性和控制性需求的不断增长,无菌连接器与取样系统配合使用,成为实现全面工艺监控的理想解决方案。

在线焊接无菌连接器
![]() | ||||||||
| 模型 | 1号管 | 2号管 | TC2/mm | A/mm | B/mm | 厘米/毫米 | 直径/毫米 | 净重(千克) |
| TAL011161050 | 1/2英寸 | 1½英寸 | 50.5 | 110 | 35.6 | 43.8 | 6 | 1.1 |
| TAL011161075 | 3/4英寸 | 1½英寸 | 50.5 | 110 | 35.6 | 43.8 | 6 | 1.3 |
| TAL011161100 | 1英寸 | 1½英寸 | 50.5 | 110 | 35.6 | 43.8 | 6 | 1.5 |
| TAL011161150 | 1½英寸 | 1½英寸 | 50.5 | 110 | 35.6 | 43.8 | 6 | 3.75 |
![]() | 模型 | 唔 | 尺寸 | TC/mm | A/mm | B/mm | 厘米/毫米 | 直径/毫米 |
| TAF0161050H16 | 16 | 1/2英寸 | 25 | 55 | 9.4 | 20 | 6 | |
| TAF0161075H16 | 16 | 3/4英寸 | 25 | 55 | 15.75 | 20 | 6 | |
| TAF0161100H16 | 16 | 1英寸 | 50.5 | 85 | 22.1 | 43.8 | 6 | |
| TAF0161150H16 | 16 | 1½英寸 | 50.5 | 85 | 34.8 | 43.8 | 6 | |
| TAF0161200H16 | 16 | 2英寸 | 64 | 100 | 47.5 | 55 | 6 | |
| TAF0161250H16 | 16 | 2½英寸 | 77.5 | 112 | 60.2 | 65.5 | 10 | |
| TAF0161300H16 | 16 | 3英寸 | 91 | 131 | 72.9 | 78 | 10 | |
| TAF0161400H16 | 16 | 4英寸 | 119 | 170 | 97.4 | 105 | 10 | |
| TAF0162015H16 | 16 | DN15 | 34 | 70 | 16 | 23.5 | 6 | |
| TAF0162020H16 | 16 | DN20 | 34 | 70 | 20 | 23.5 | 6 | |
| TAF0162025H16 | 16 | DN25 | 50.5 | 85 | 26 | 43.8 | 6 | |
| TAF0162032H16 | 16 | DN32 | 50.5 | 85 | 32 | 43.8 | 6 | |
| TAF0162040H16 | 16 | DN40 | 50.5 | 85 | 38 | 43.8 | 6 | |
| TAF0162050H16 | 16 | DN50 | 64 | 100 | 50 | 55 | 6 | |
| TAF0162065H16 | 16 | DN65 | 77.5 | 131 | 66 | 78 | 10 | |
| TAF0162080H16 | 16 | DN80 | 106 | 146 | 81 | 93 | 10 | |
| TAF0162100H16 | 16 | DN100 | 119 | 170 | 100 | 105 | 10 |
卫生球阀不同于普通工业阀门。它们专为高卫生环境而设计,其核心优势体现在材料选择和结构设计上。我们的卫生球阀均采用SS304和SS316L食品级不锈钢制成,这两种材料各有优势,可满足不同的应用需求。...
温州启明不锈钢有限公司,一家成立于2015年的精密不锈钢阀门及管件制造商和出口商,欣然宣布公司已于2026年之际成功迁至位于温州的全新4000平方米厂房。此次里程碑式的搬迁于2025年12月底完成,标志着公司发展的新篇章,也充分证明了此次搬迁的成功。此次大规模搬迁的顺利进行,充分体现了全体团队成员的不懈努力、相互支持和坚韧不拔的团队精神,也正是启明蓬勃发展的新起点。...
获取报价