Insert Check Valve
Insert Check Valve
Insert Check Valve
Insert Check Valve
Insert Check Valve
Insert Check Valve

SS316L不锈钢卫生级插入式止回阀,适用于带EPDM密封圈的3A卡箍,Q/S-Line接头

型号:VCP01

商品编号:VCP01

阀体:
SS316L
  • SS316L
材质:
三元乙丙
  • 三元乙丙
尺寸.:
3A 3/4"
  • 3A 3/4"
  • 3A 1"
  • 3A 1 1/2"
  • 3A 2"

概念

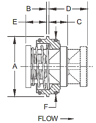
VCP系列插入式止回阀适用于新型或现有的卫生级卡箍。SC设计采用可更换的食品级密封件(标准为FDA认证的EPDM)密封卡箍内径,该阀门适用于3A卡箍接头、Q-Line和S-Line接头以及其他内径尺寸与下方“F”尺寸相同的接头(不含卡箍)。紧凑的SC设计可安装在单个接头内,无需占用管路空间。与全体式阀门相比,其尺寸优势使其价格极其经济。

技术数据

温度范围:-0°C 至 +121°C

气压:最低 1 巴

材料

与液体接触的钢制部件:SS316L

弹簧:SS316L

湿密封件:符合FDA 177.2600标准的EPDM

焊接止回阀

型号尺寸一个B C D E F
VCP621075 3/4英寸19.05 1.65 11 19 7 15.75
VCP621100 1英寸25.4 1.65 12.5 22 7.5 22.1
VCP621150 1 1/2英寸38.1 1.65 12.5 26 16 34.8
VCP621200 2英寸50.8 1.65 15.5 35 16 47.2
VCP621250 2½英寸63.2 1.65 16.5 39 22 60.2
VCP621300 3英寸76.2 1.65 19 50 32 72.9
VCP621400 4英寸101.6 1.65 22 61 41 97.2
相关产品
Sanitary Check Valve

VCN系列止回阀,又称“单向阀”,设计用于工艺管道装置中,以防止流体倒流。VCN系列为弹簧式止回阀,具有不同的连接端。...

查询
Female Check Valve Sanitary

VCU系列可防止流体回流,并确保流体只能沿一个方向流动。

查询
Air Blow Check Valves

CONCEPT VCA 空气吹扫止回阀设计用于排出管路中的产品或 CIP 清洗液,以及对储罐和其他容器中的产品进行空气搅拌。它还有助于保护管道免受腐蚀。...

查询
Y-Ball Check Valve

VC系列产品可防止流体回流,并确保流体仅沿一个方向流动,从而防止食品加工过程中泵失去吸力,避免管道锤击。...

查询
相关新闻
13

为什么选择不锈钢卫生球阀?

卫生球阀不同于普通工业阀门。它们专为高卫生环境而设计,其核心优势体现在材料选择和结构设计上。我们的卫生球阀均采用SS304和SS316L食品级不锈钢制成,这两种材料各有优势,可满足不同的应用需求。...

02

搬迁顺利,前途光明:4000平方米设施升级改造竣工

温州启明不锈钢有限公司,一家成立于2015年的精密不锈钢阀门及管件制造商和出口商,欣然宣布公司已于2026年之际成功迁至位于温州的全新4000平方米厂房。此次里程碑式的搬迁于2025年12月底完成,标志着公司发展的新篇章,也充分证明了此次搬迁的成功。此次大规模搬迁的顺利进行,充分体现了全体团队成员的不懈努力、相互支持和坚韧不拔的团队精神,也正是启明蓬勃发展的新起点。...

优质服务首选启明
联系我们
展会

获取报价

现在联系
Captcha Code
×
询盘篮()
取得联系
Captcha Code
×